GM Service Manual Online
For 1990-2009 cars only
Makes
🢒
Cadillac
🢒
2002
🢒
Seville
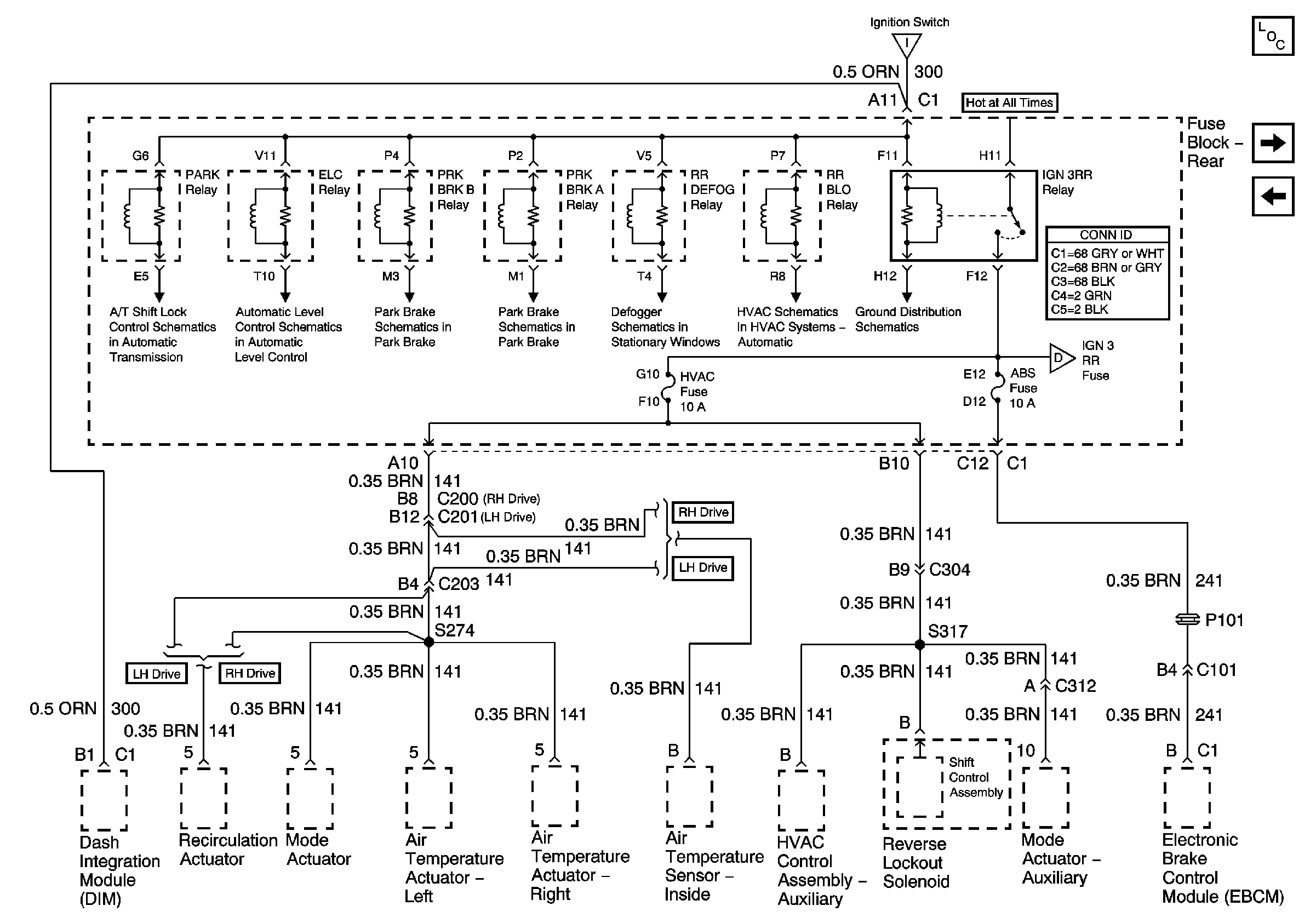
🢒 Ignition Switch Supply and HVAC and ABS Fuses
Ignition Switch Supply and HVAC and ABS Fuses
Ignition Switch Supply and HVAC and ABS Fuses
Master Electrical Component List
IGN 3 RR Fuse
ACCY and IGN 1 Relays and INJR 1 and INJR 2 Fuses
IGN 3 RR Fuse
G301
Blower Motor - Auxiliary
Power and Grounds
Park Brake System
Park Brake System
Automatic Level Control (w/o F45)
Reverse Lockout and AT Shift Lock Control Solenoids
Ignition Switch Supply