GM Service Manual Online
For 1990-2009 cars only
Makes
🢒
Cadillac
🢒
2002
🢒
Seville
🢒 Power and Grounds
Power and Grounds
Master Electrical Component List
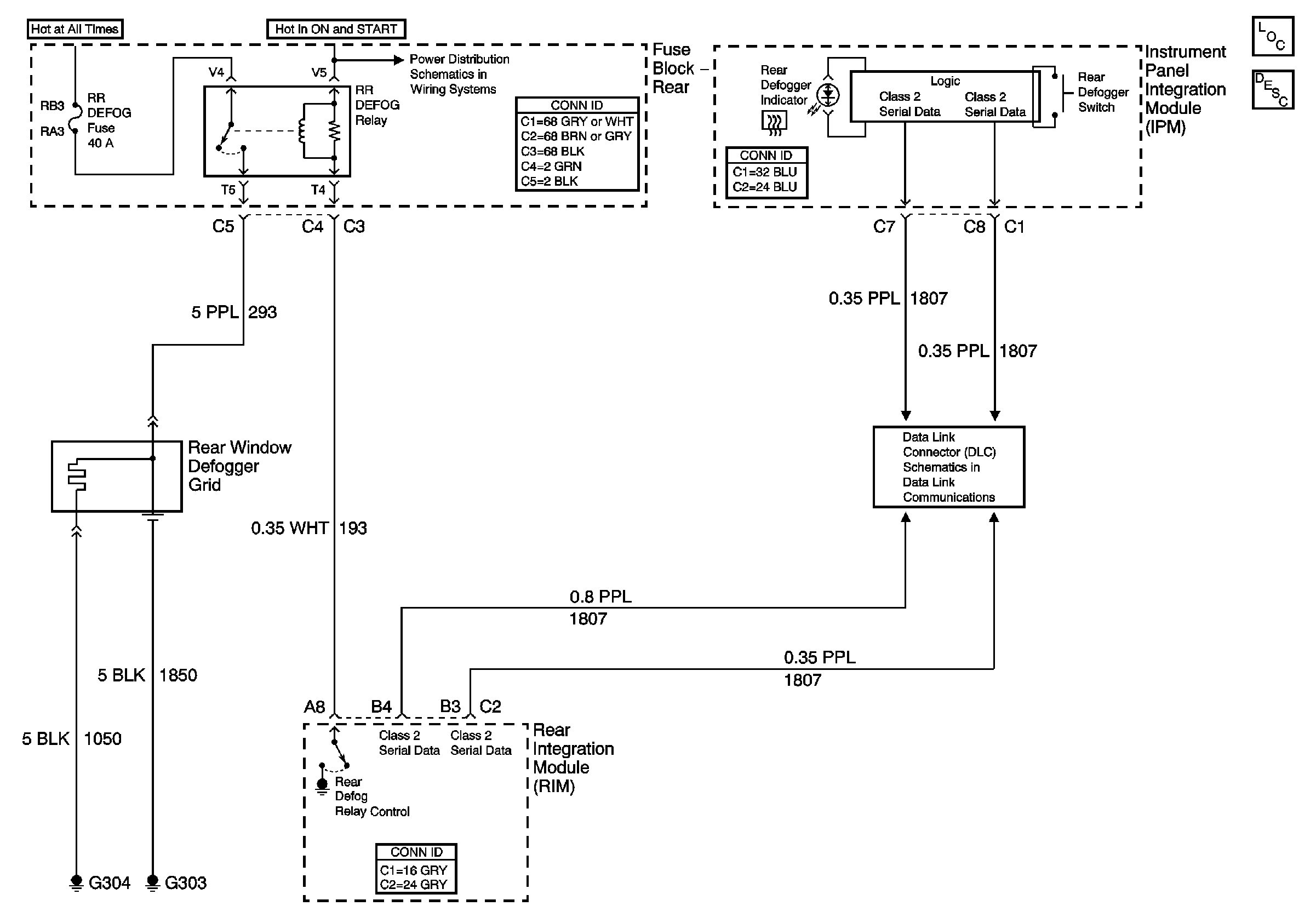
Rear Window Defogger Description and Operation
Class 2 Serial Data Line (LH Drive) (1 of 2)
Battery Feed to Fuse Block - Rear