GM Service Manual Online
For 1990-2009 cars only
Makes
🢒
Cadillac
🢒
2002
🢒
Seville
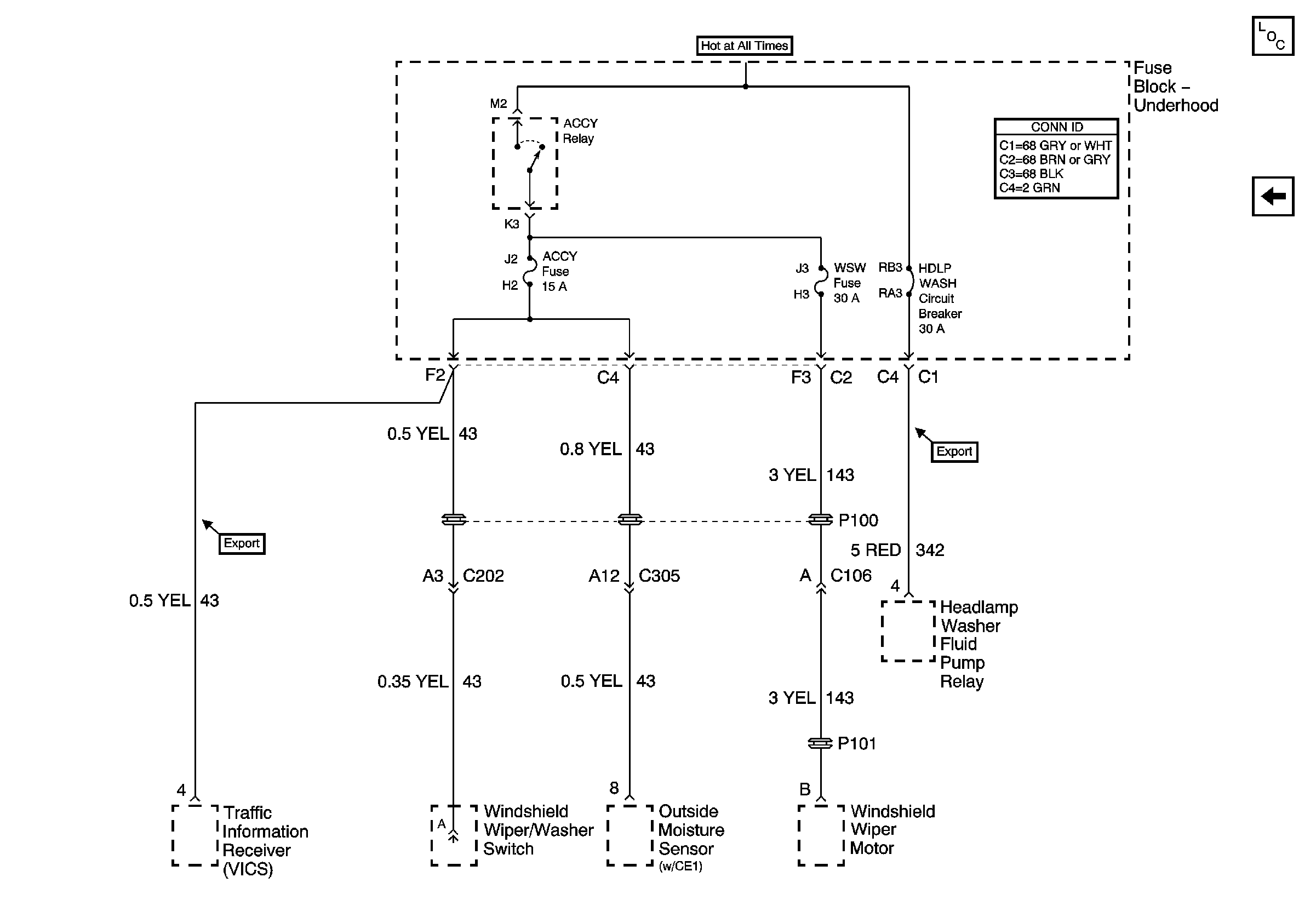
🢒 ACCY Relay and ACCY and WSW Fuses and HDLP WASH Circuit Breaker
ACCY Relay and ACCY and WSW Fuses and HDLP WASH Circuit Breaker
ACCY Relay and ACCY and WSW Fuses and HDLP WASH Circuit Breaker
Master Electrical Component List
NAV and EXPORT BRK Fuses