GM Service Manual Online
For 1990-2009 cars only
Makes
🢒
Cadillac
🢒
2002
🢒
Seville
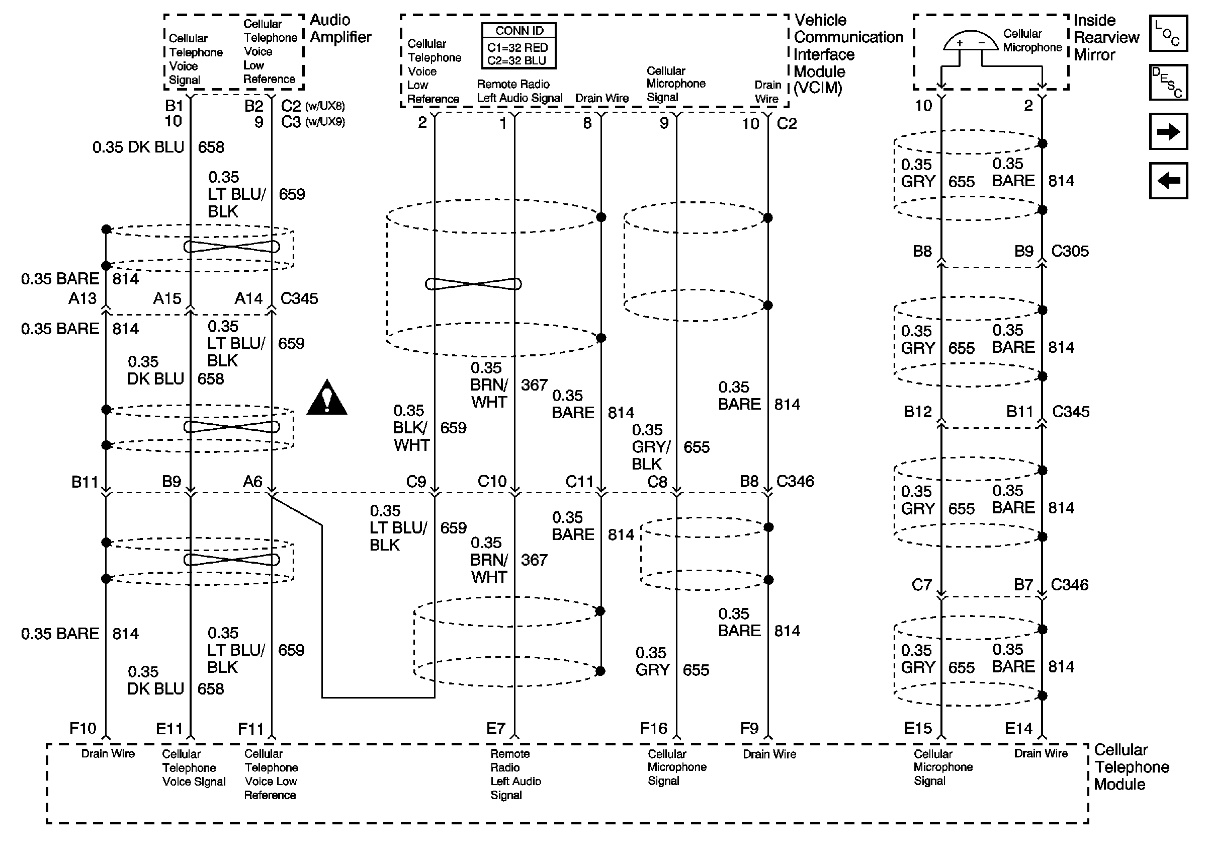
🢒 Vehicle Communication Interface Module (VCIM), Microphone, Audio Amplifier
Vehicle Communication Interface Module (VCIM), Microphone, Audio Amplifier
Vehicle Communication Interface Module (VCIM), Microphone, Audio Amplifier
Master Electrical Component List
Cellular Telephone Description and Operation
Cellular Telephone Interface Board
Power, Ground, and Class 2
Cellular Communication Schematic Icons