GM Service Manual Online
For 1990-2009 cars only
Makes
🢒
Cadillac
🢒
2002
🢒
Seville
🢒 Power, Ground, and Class 2
Power, Ground, and Class 2
Power, Ground, and Class 2
Master Electrical Component List
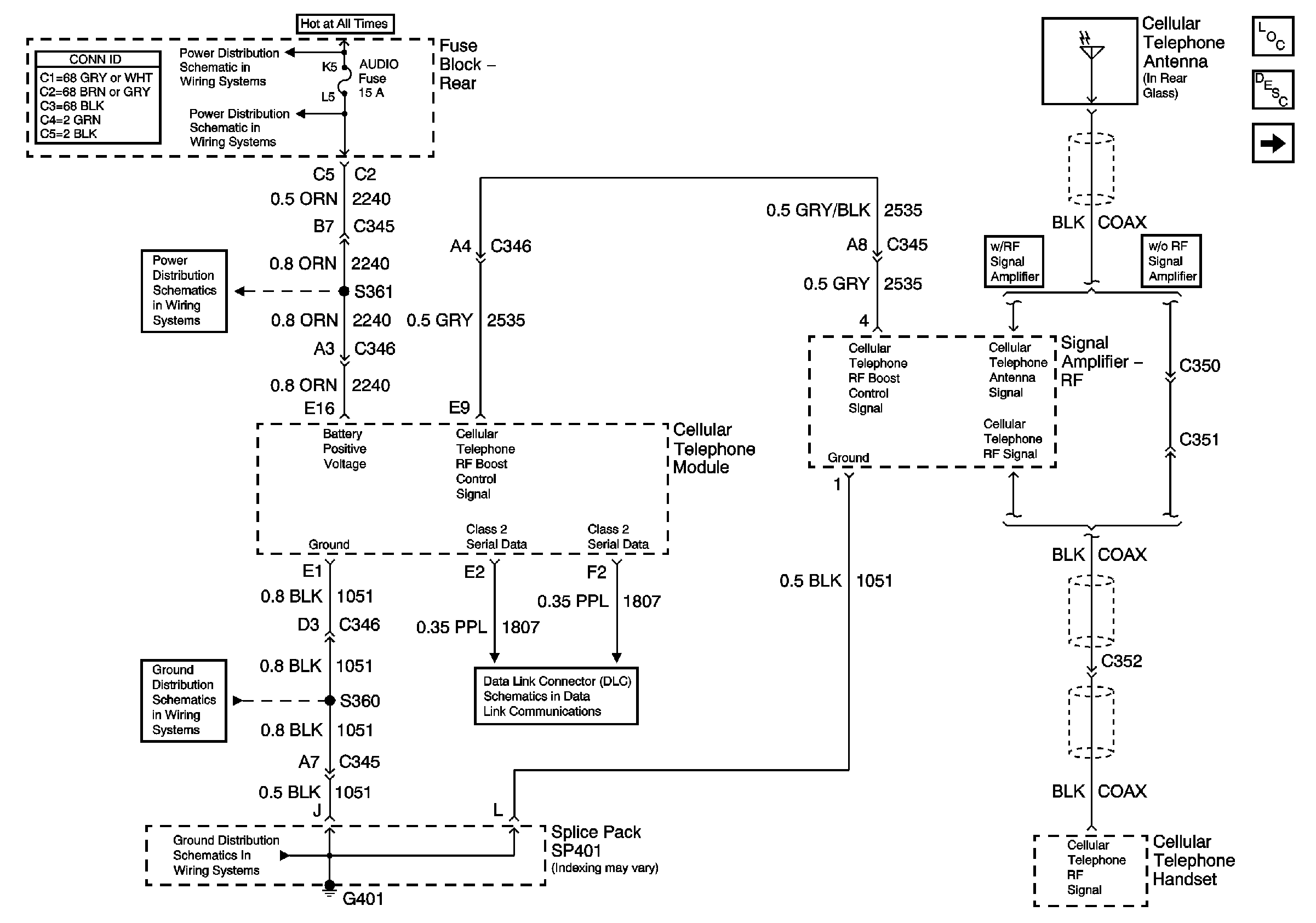
Cellular Telephone Description and Operation
Vehicle Communication Interface Module (VCIM), Microphone, Audio Amplifier
G401 1 of 3
G401 1 of 3
Class 2 Serial Data Line (LH Drive) (2 of 2)
AUDIO, AUDIO AMP, DIM Fuses
Battery Feed to Fuse Block - Rear
Battery Feed to Fuse Block - Rear