GM Service Manual Online
For 1990-2009 cars only
Makes
🢒
Cadillac
🢒
2002
🢒
Seville
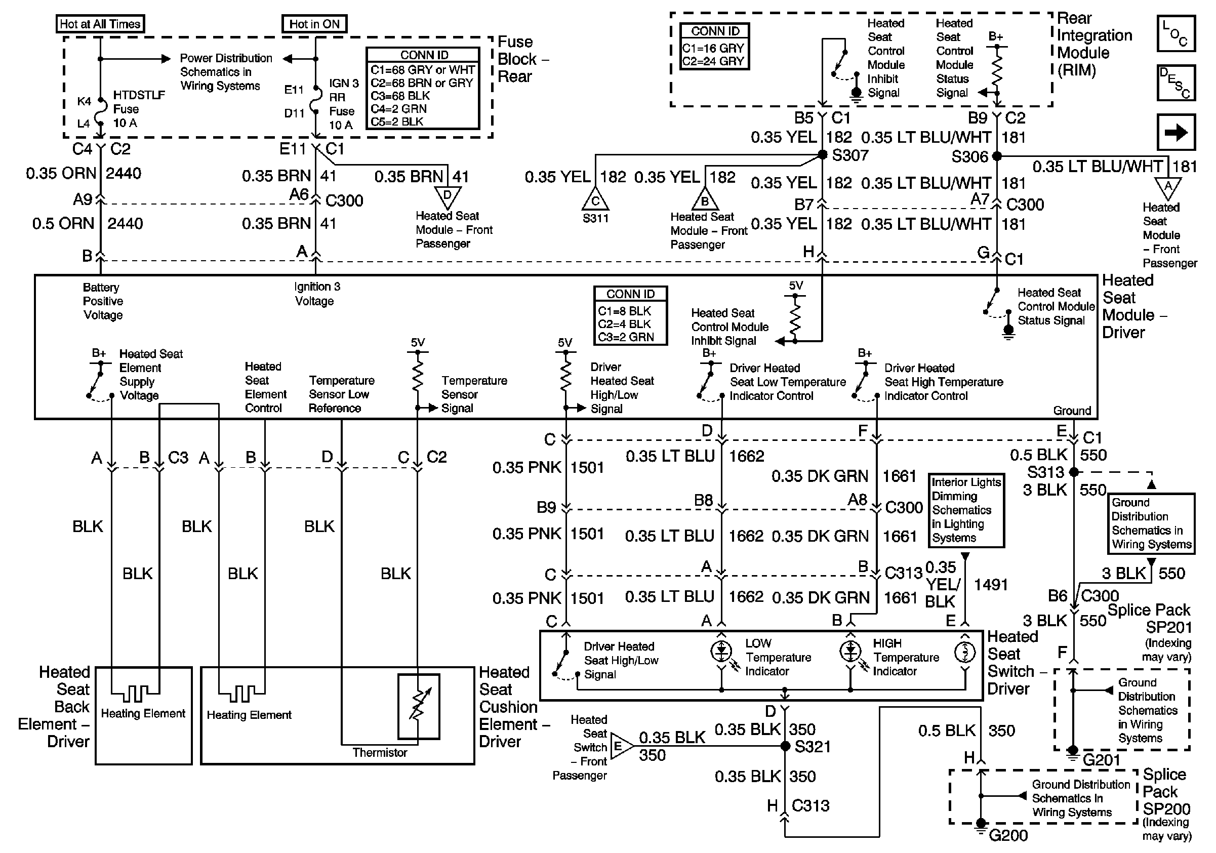
🢒 Heated Seat Module - Driver
Heated Seat Module - Driver
Heated Seat Module - Driver
Master Electrical Component List
Heated Seats Description and Operation
Heated Seat Module - Front Passenger
Heated Seat Module - Front Passenger
G201 3 of 5 (LH Drive)
G201 3 of 5 (LH Drive)
G200 and G202
Heated Seat Module - Front Passenger
Ashtray Lamp and Steering Wheel Controls
Battery Feed to Fuse Block - Rear
Heated Seat Module - Front Passenger
Heated Seat Module - LR and RR
Heated Seat Module - Front Passenger