GM Service Manual Online
For 1990-2009 cars only
Makes
🢒
Cadillac
🢒
2003
🢒
Seville
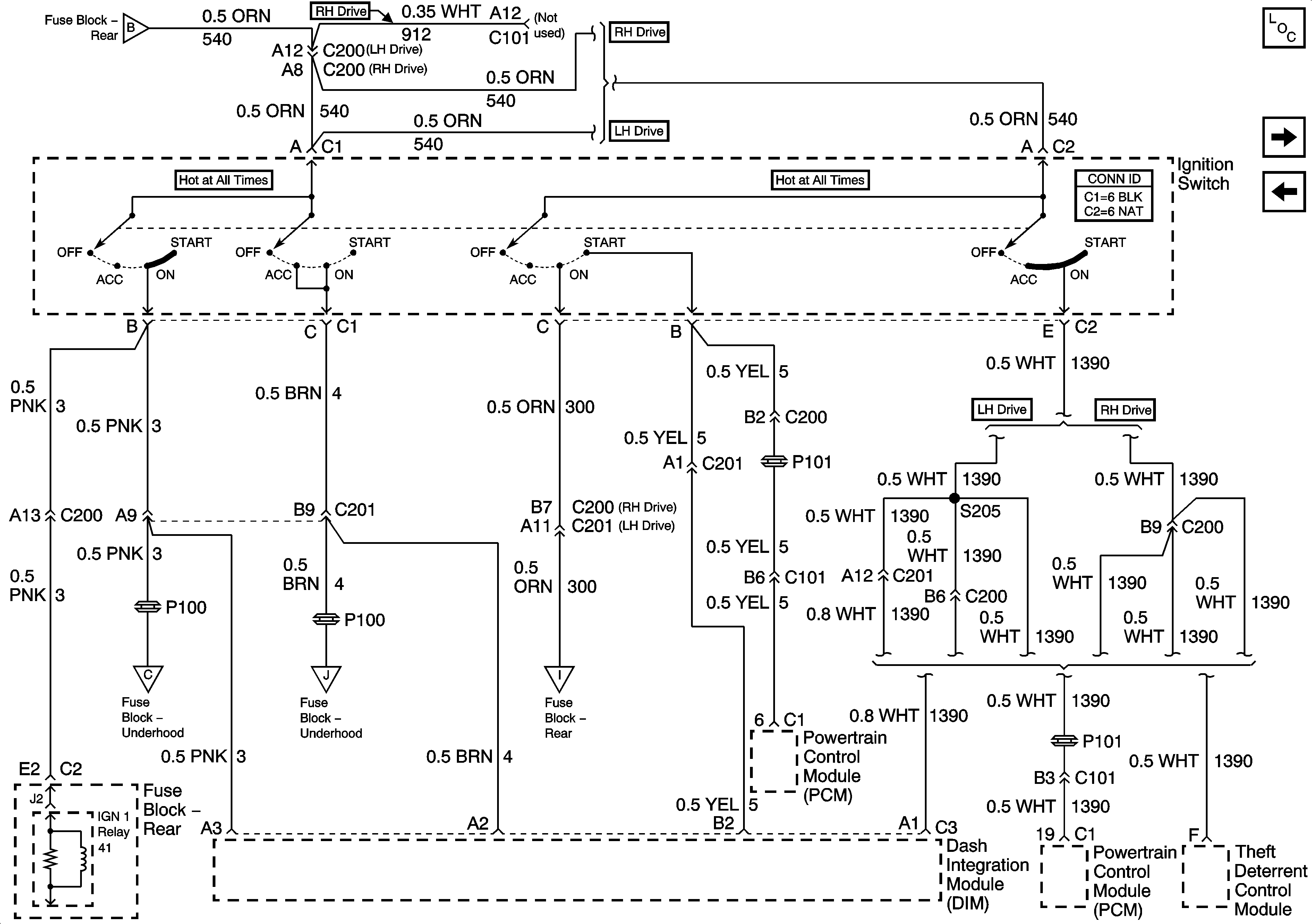
🢒 Ignition Switch Supply
Ignition Switch Supply
Ignition Switch Supply
Master Electrical Component List
ACCY and IGN 1 Relays and INJR 1 and INJR 2 Fuses
IGN SW and HTDST Fuses
IGN SW and HTDST Fuses
ACCY and IGN 1 Relays and INJR 1 and INJR 2 Fuses
ACCY and IGN 1 Relays and INJR 1 and INJR 2 Fuses
Ignition Switch Supply and HVAC and ABS Fuses