GM Service Manual Online
For 1990-2009 cars only
Makes
🢒
Cadillac
🢒
2003
🢒
Seville
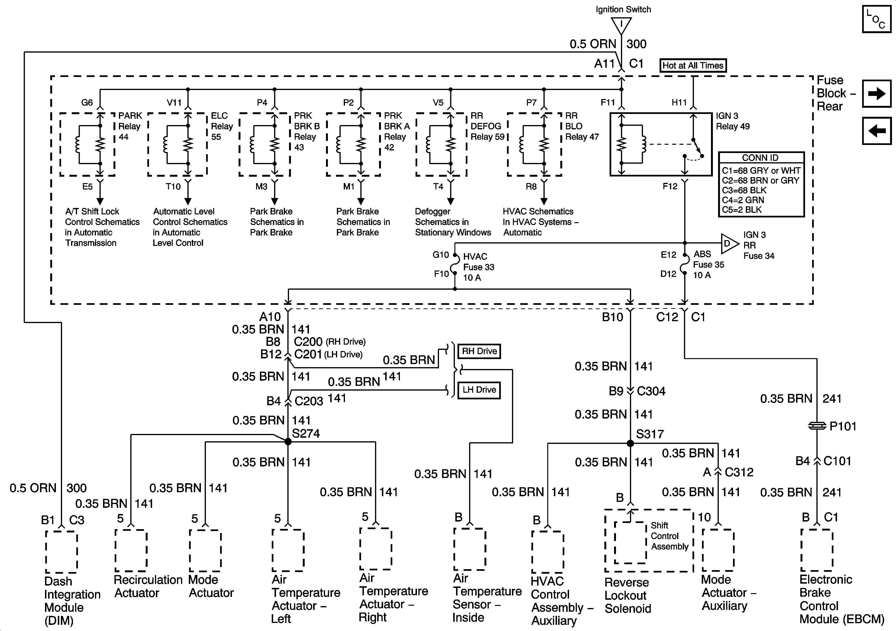
🢒 Ignition Switch Supply and HVAC and ABS Fuses
Ignition Switch Supply and HVAC and ABS Fuses
Ignition Switch Supply and HVAC and ABS Fuses
Master Electrical Component List
IGN 3 RR Fuse
ACCY and IGN 1 Relays and INJR 1 and INJR 2 Fuses
Ignition Switch Supply
Automatic Level Control (w/o F55)
Park Brake System Schematics
Park Brake System Schematics
Defogger Schematics
Blower Motor - Auxiliary
IGN 3 RR Fuse