GM Service Manual Online
For 1990-2009 cars only
Makes
🢒
Cadillac
🢒
2003
🢒
Seville
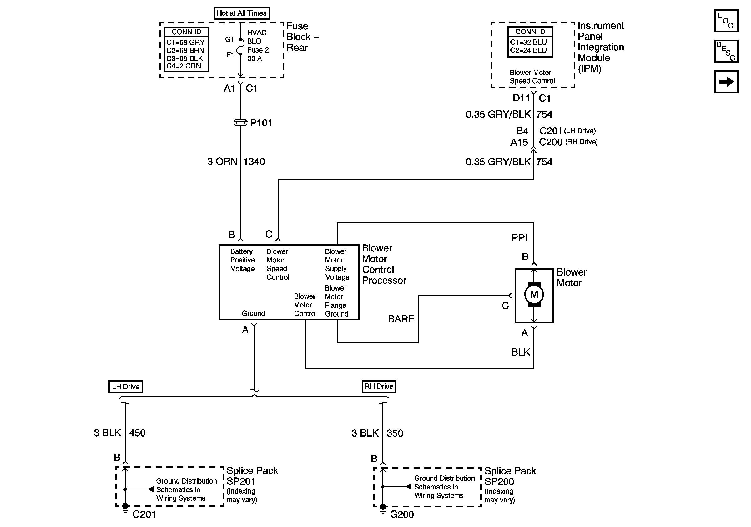
🢒 Blower Motor - Front
Blower Motor - Front
Blower Motor -- Front
Master Electrical Component List
Air Delivery Description and Operation
Blower Motor - Auxiliary
G201 (1 of 5)
G201 (1 of 5)