GM Service Manual Online
For 1990-2009 cars only
Makes
🢒
Cadillac
🢒
2003
🢒
Seville
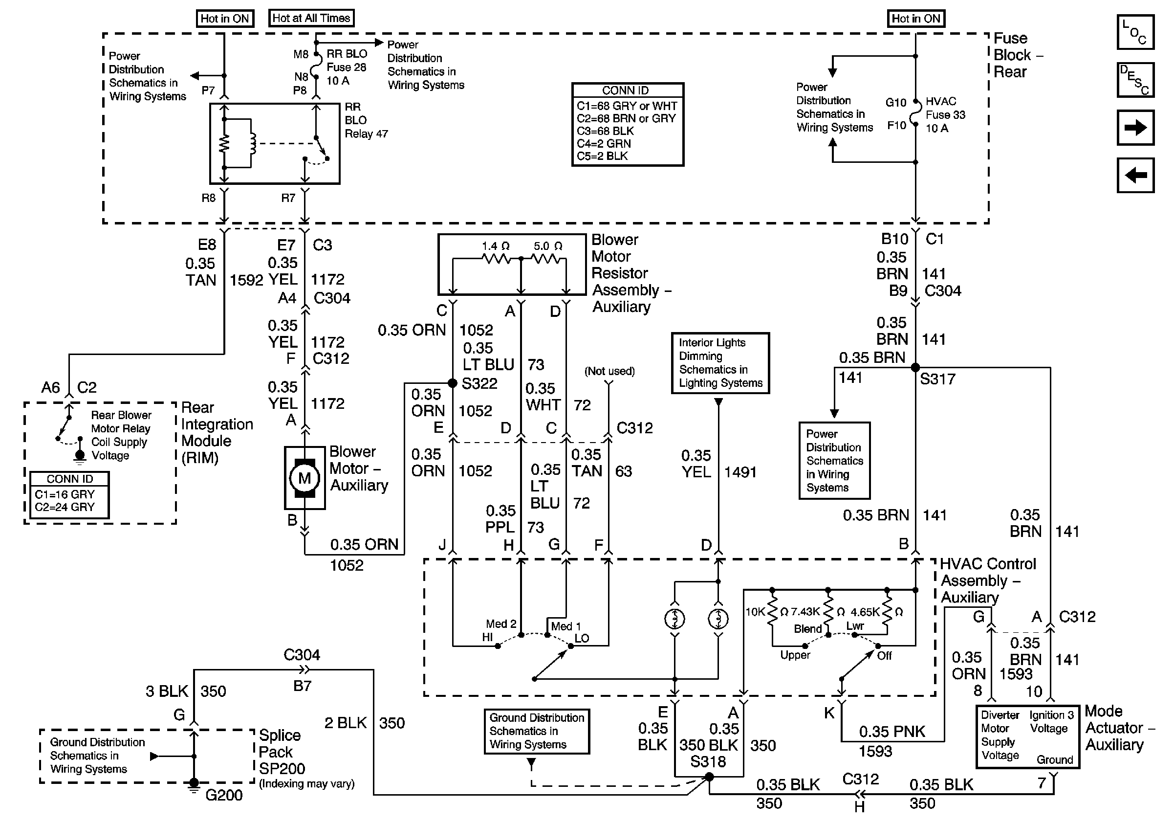
🢒 Blower Motor - Auxiliary
Blower Motor - Auxiliary
Blower Motor -- Auxiliary
Master Electrical Component List
Air Temperature Description and Operation
A/C Compressor Clutch
Blower Motor - Front
Ignition Switch Supply and HVAC and ABS Fuses
Battery Feed to Fuse Block - Rear
Battery Feed to Fuse Block - Rear
Ashtray Lamp and Steering Wheel Controls
Ignition Switch Supply and HVAC and ABS Fuses
G200 and G202
G200 and G202