GM Service Manual Online
For 1990-2009 cars only
Makes
🢒
Cadillac
🢒
2003
🢒
Seville
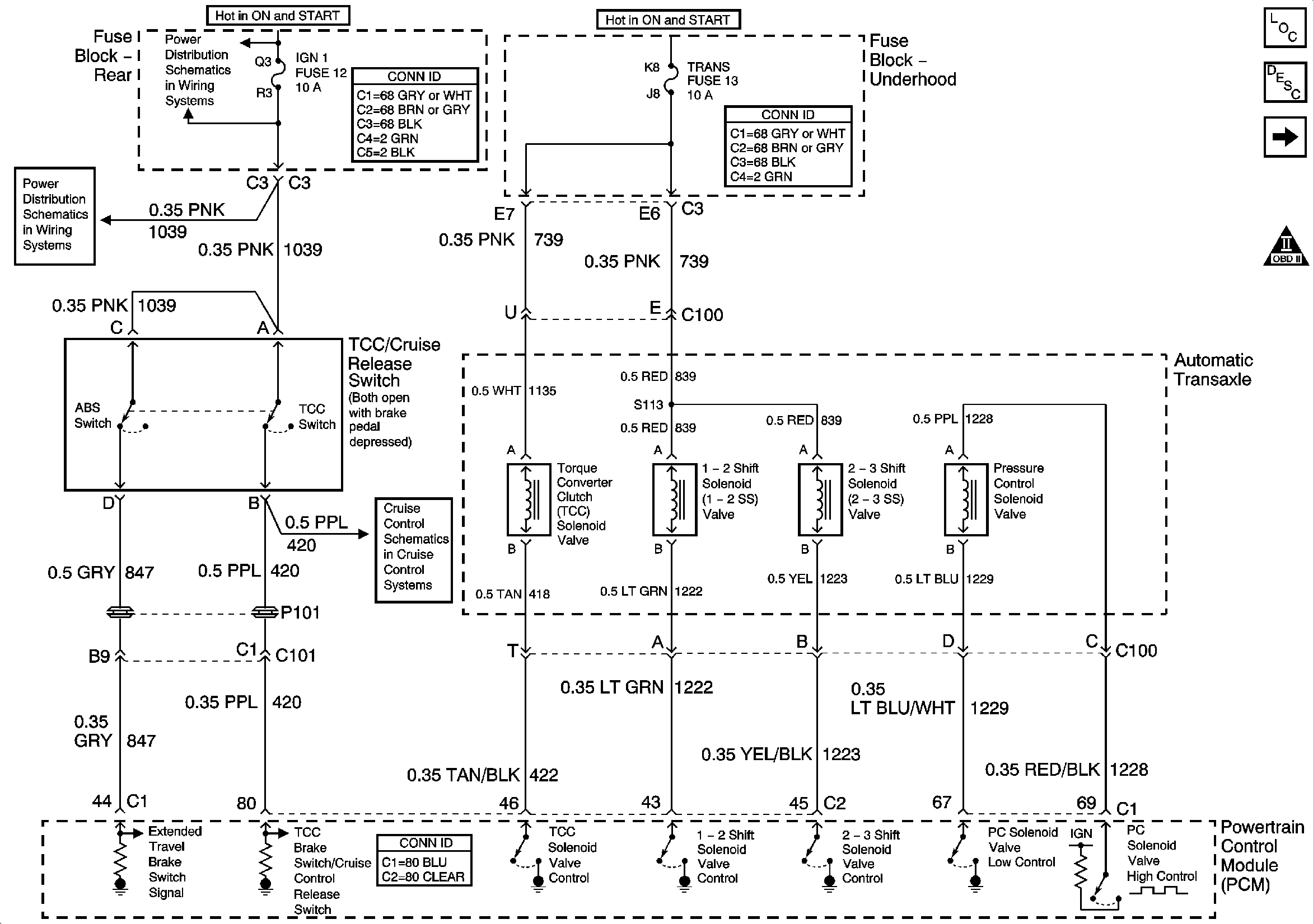
🢒 TCC/Cruise Release Switch
TCC/Cruise Release Switch
TCC/Cruise Release Switch and Transaxle Solenoids
Master Electrical Component List
Electronic Component Description
Transaxle Sensors
OBD II Symbol Description Notice
IGN 1 Relay and SIR, VENT SOL, IGN 1 Fuses
Battery Feed to Fuse Block - Rear
Cruise Control Module (CCM) Power and Ground