GM Service Manual Online
For 1990-2009 cars only
Makes
🢒
Cadillac
🢒
2004
🢒
Seville
🢒 Shift Lock Controls Schematics-Reverse Lockout and Shift Lock Solenoid
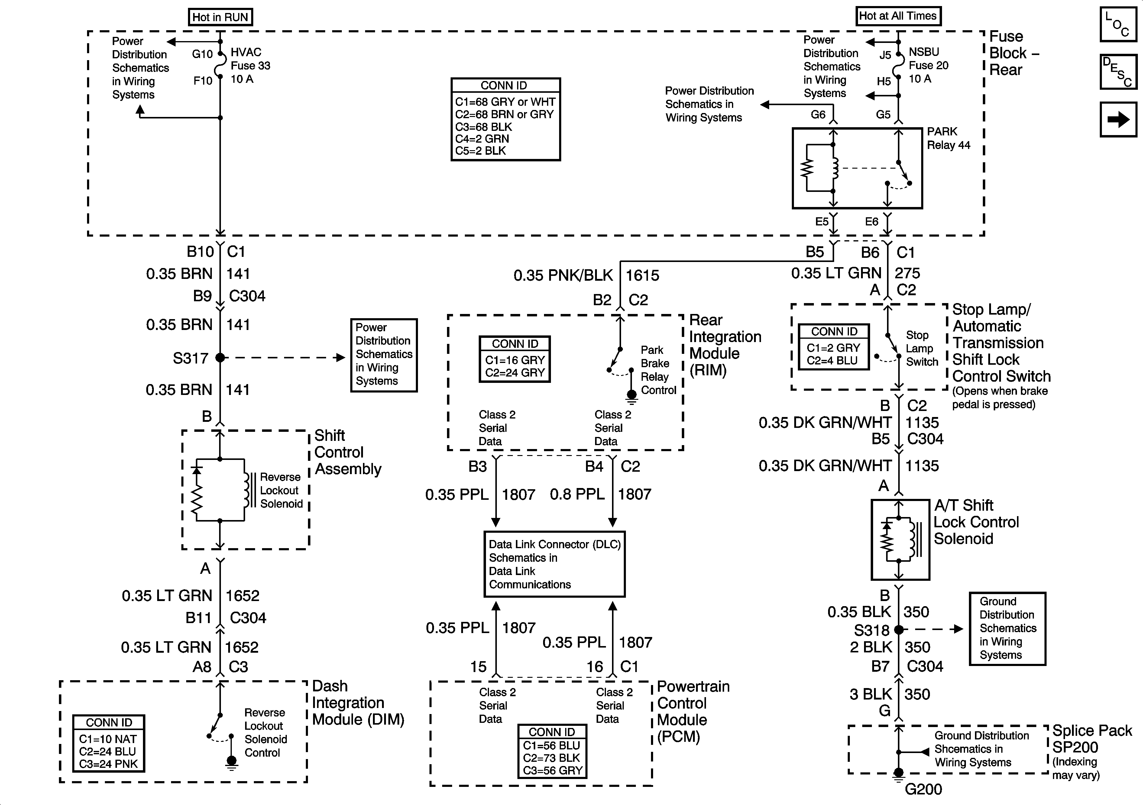
Shift Lock Controls Schematics-Reverse Lockout and Shift Lock Solenoid
Reverse Lockout and A/T Shift Lock Control Solenoids
Master Electrical Component List
Reverse Lockout System Description and Operation
Automatic Transmission Shift Lock Control Schematics-Internal Mode Switch
Power Distribution Schematics-Battery Feed to Fuse Block Rear
Power Distribution Schematics-Ignition Switch Supply, HVAC and ABS Fuses
Power Distribution Schematics-Battery Feed to Fuse Block Rear
Power Distribution Schematics-Ignition Switch Supply, HVAC and ABS Fuses
Data Link Connector (DLC) Schematics-Serial Data Line (LH Drive) (2 of 2)
Ground Distribution Schematics-G200 and G202
Ground Distribution Schematics-G200 and G202