GM Service Manual Online
For 1990-2009 cars only
Makes
🢒
Cadillac
🢒
2004
🢒
Seville
🢒 Wiper/Washer System Schematics-Power, Ground, and Components
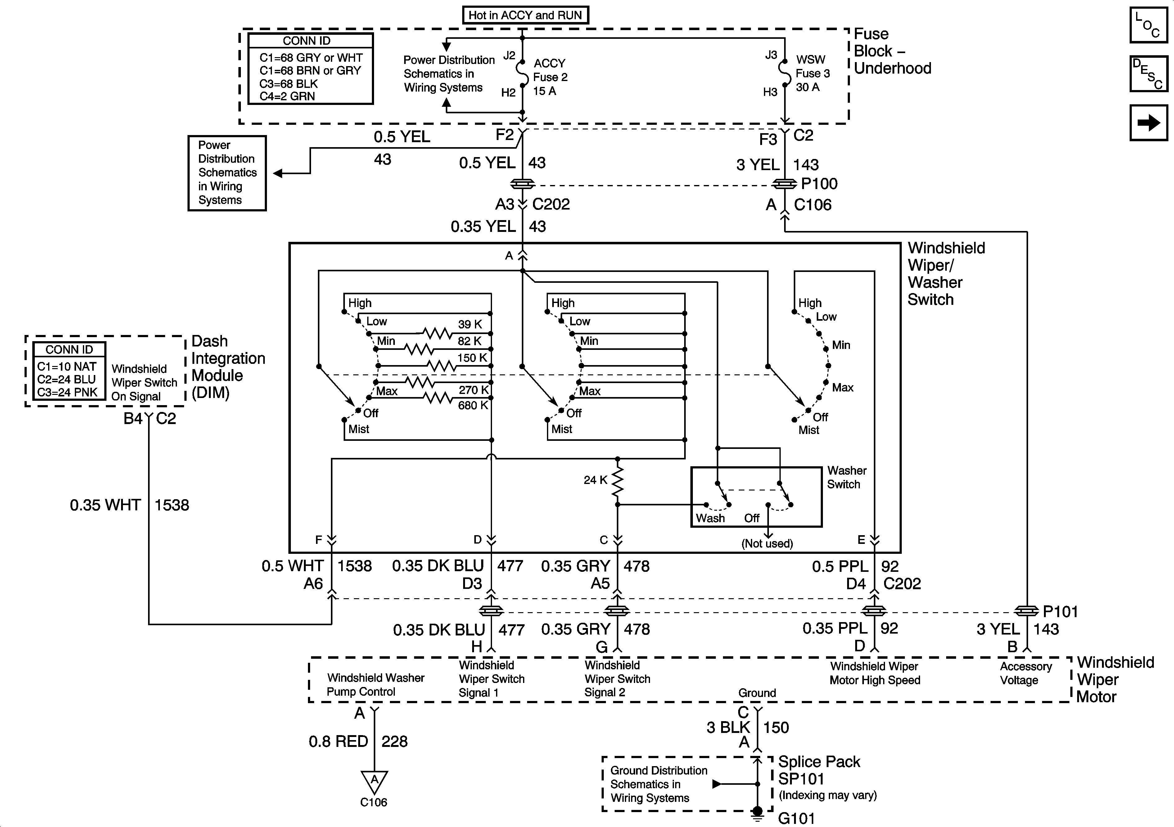
Wiper/Washer System Schematics-Power, Ground, and Components
Power, Ground, and Components
Master Electrical Component List
Wiper/Washer System Description and Operation
Wiper/Washer System Schematics-HeadLamp Washer (Export)
Wiper/Washer System Schematics-HeadLamp Washer (Export)
Power Distribution Schematics-ACCY,WSW Fuses,ACCY Relay-HDLP/WASH Cir Brkr
Power Distribution Schematics-ACCY,WSW Fuses,ACCY Relay-HDLP/WASH Cir Brkr
Gound Distribution Schematics-G101 and G105