GM Service Manual Online
For 1990-2009 cars only
Makes
🢒
Cadillac
🢒
2004
🢒
Seville
🢒 Navigation Systems Schematics-Power, Ground, Components, and GPS
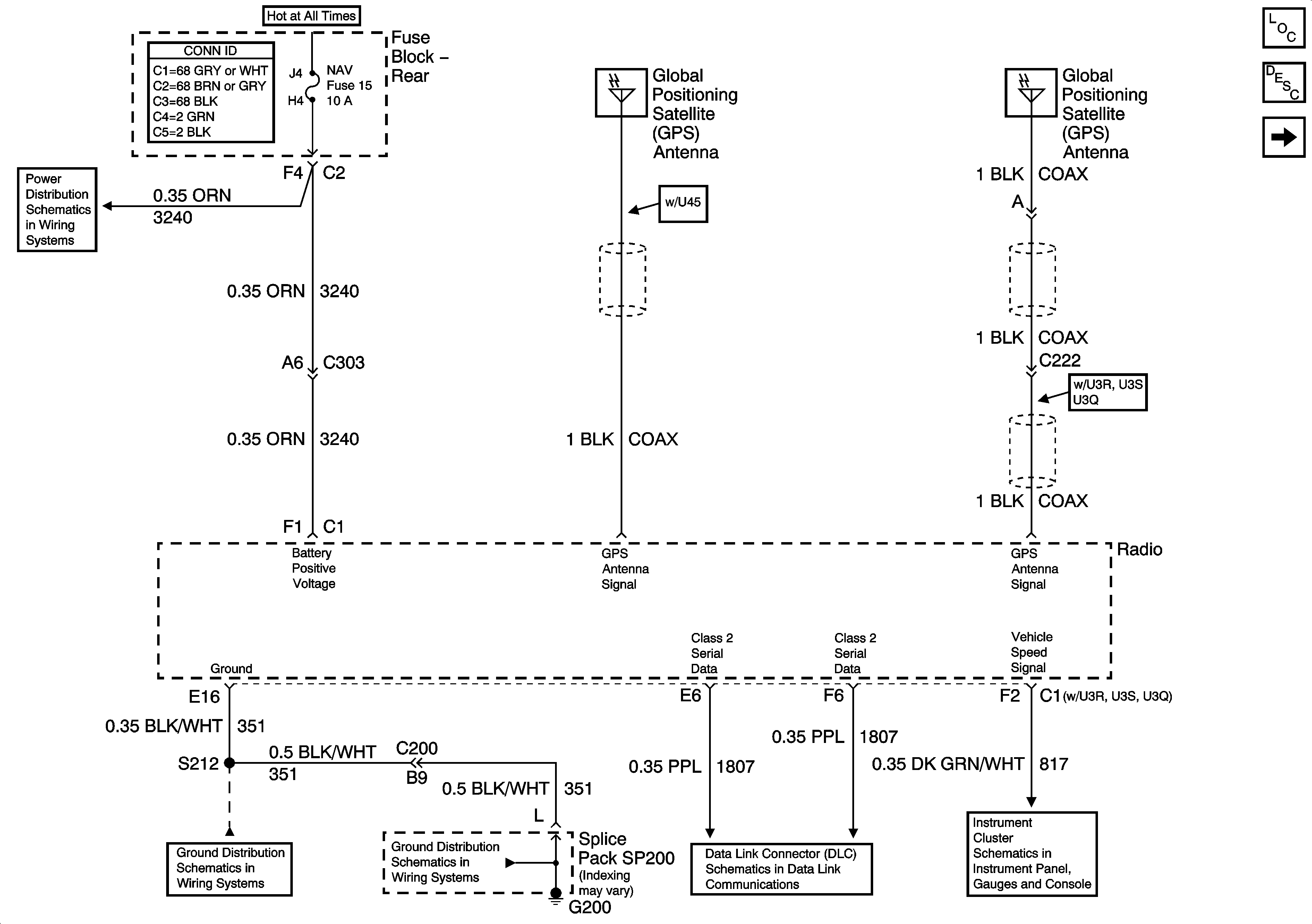
Navigation Systems Schematics-Power, Ground, Components, and GPS
Power, Ground, Components, and GPS
Master Electrical Component List
Navigation System Description and Operation
Navigation System Schematics-Auxiliary RCA Video Jacks, Export Microphone
Instrument Cluster Schematics-PCM Signals
Power Distribution Schematics-NAV, EXPORT BRK and SDAR Fuses
Data Link Connector (DLC) Schematics-Serial Data Line (LH Drive) (1 of 2)
Ground Distribution Schematics-G200
Ground Distribution Schematics-G200