GM Service Manual Online
For 1990-2009 cars only
Makes
🢒
Cadillac
🢒
2004
🢒
Seville
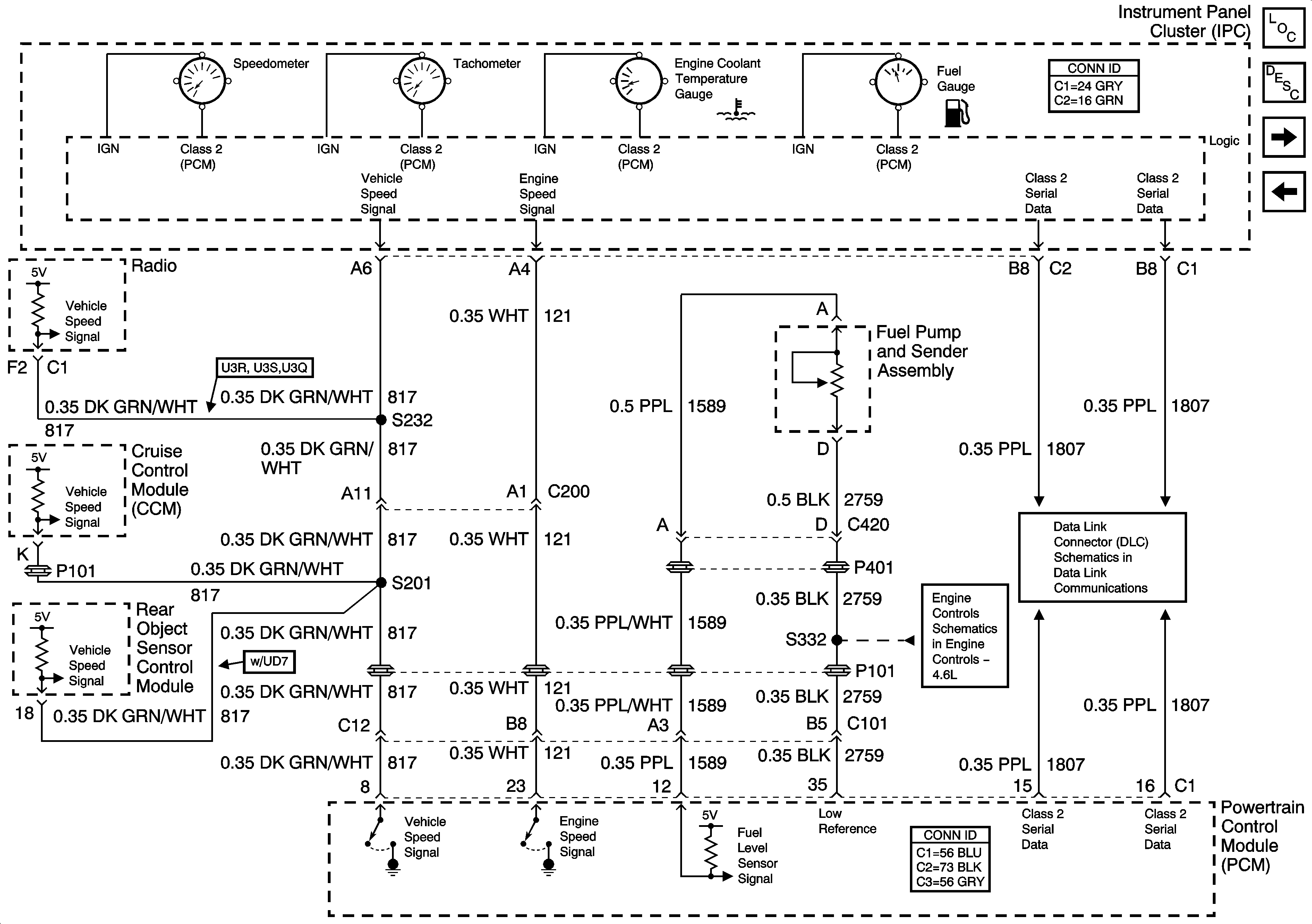
🢒 Instrument Cluster Schematics-PCM Signals
Instrument Cluster Schematics-PCM Signals
PCM Signals
Master Electrical Component List
Instrument Cluster Description and Operation
Instrument Cluster Schematics-PCM and IPM Signals
Instrument Cluster Schematics-Power, Ground and Class 2
Engine Controls Schematics-Fuel Controls, Fuel Pump, and EVAP Controls
Data Link Connector (DLC) Schematics-Serial Data Line (LH Drive) (1 of 2)