GM Service Manual Online
For 1990-2009 cars only
Makes
🢒
Cadillac
🢒
2004
🢒
Seville
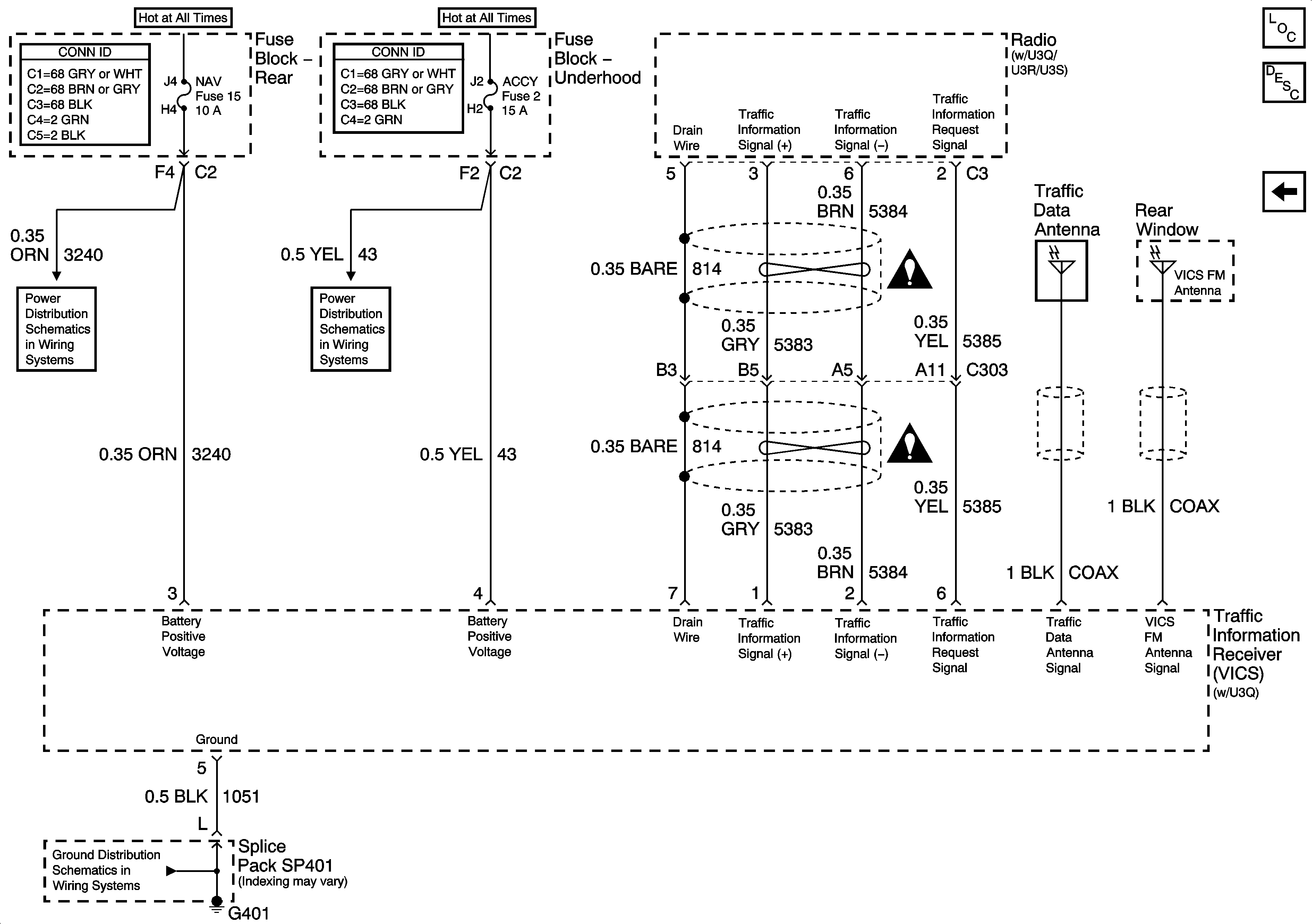
🢒 Navigation System Schematics-Traffic Information Receiver (VICS)
Navigation System Schematics-Traffic Information Receiver (VICS)
Traffic Information Receiver (VICS)
Master Electrical Component List
Navigation System Description and Operation
Navigation System Schematics-TV Antenna Module
Navigation System Schematic Icons
Navigation System Schematic Icons
Power Distribution Schematics-NAV, EXPORT BRK and SDAR Fuses
Power Distribution Schematics-ACCY,WSW Fuses,ACCY Relay-HDLP/WASH Cir Brkr
Ground Distribution Schematics-G401 (2 of 3)