GM Service Manual Online
For 1990-2009 cars only
Makes
🢒
Cadillac
🢒
2004
🢒
Seville
🢒 Theft Deterrent System Schematics-Vehicle Theft Deterrent (RH Drive)
Theft Deterrent System Schematics-Vehicle Theft Deterrent (RH Drive)
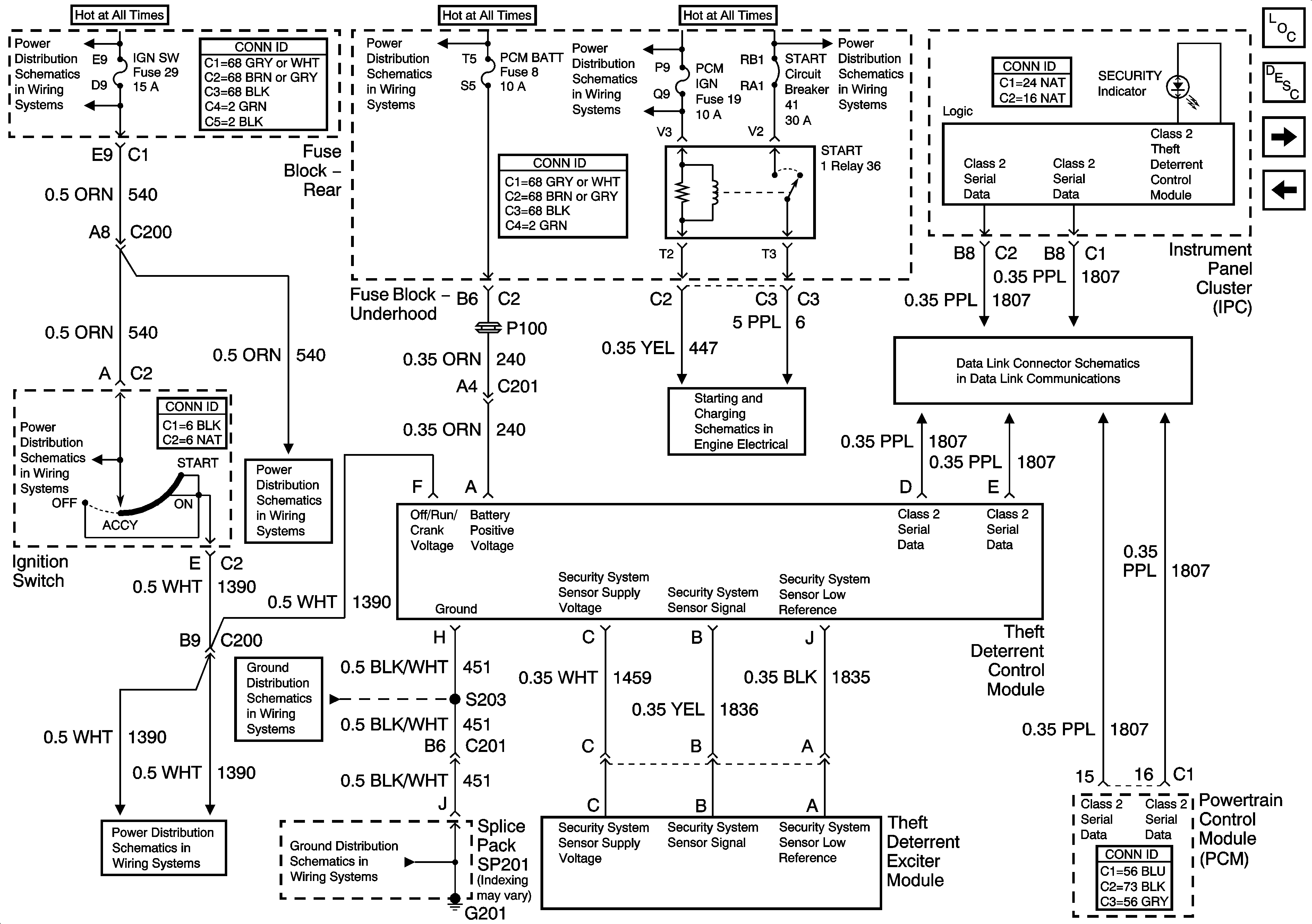
Vehicle Theft Deterrent (VTD) System (RH Drive)
Master Electrical Component List
Vehicle Theft Deterrent (VTD) Description and Operation
Theft Deterrent System Schematics-Content Theft Deterrent (CTD)
Theft Deterrent System Schematics-Vehicle Theft Deterrent (LH Drive)
Power Distribution Schematics-Ignition Switch and Heated Seat Fuses
Power Distribution Schematics-Ignition Switch Supply
Power Distribution Schematics-Ignition Switch Supply
Power Distribution Schematics-ALDL, PCM Battery, I/P, ABS Fuses
Power Distribution Schematics-Battery Feed to Fuseblock Underhood
Power Distribution Schematics-Battery Feed to Fuseblock Underhood
Starting and Charging Schematics-Starting Controls
Data Link Connector (DLC) Schematics-Serial Data Line (LH Drive) (1 of 2)
Power Distribution Schematics-Ignition Switch Supply
Ground Distribution Schematics-G201 (1 of 5)
Ground Distribution Schematics-G201 (1 of 5)