GM Service Manual Online
For 1990-2009 cars only
Makes
🢒
Cadillac
🢒
2004
🢒
Seville
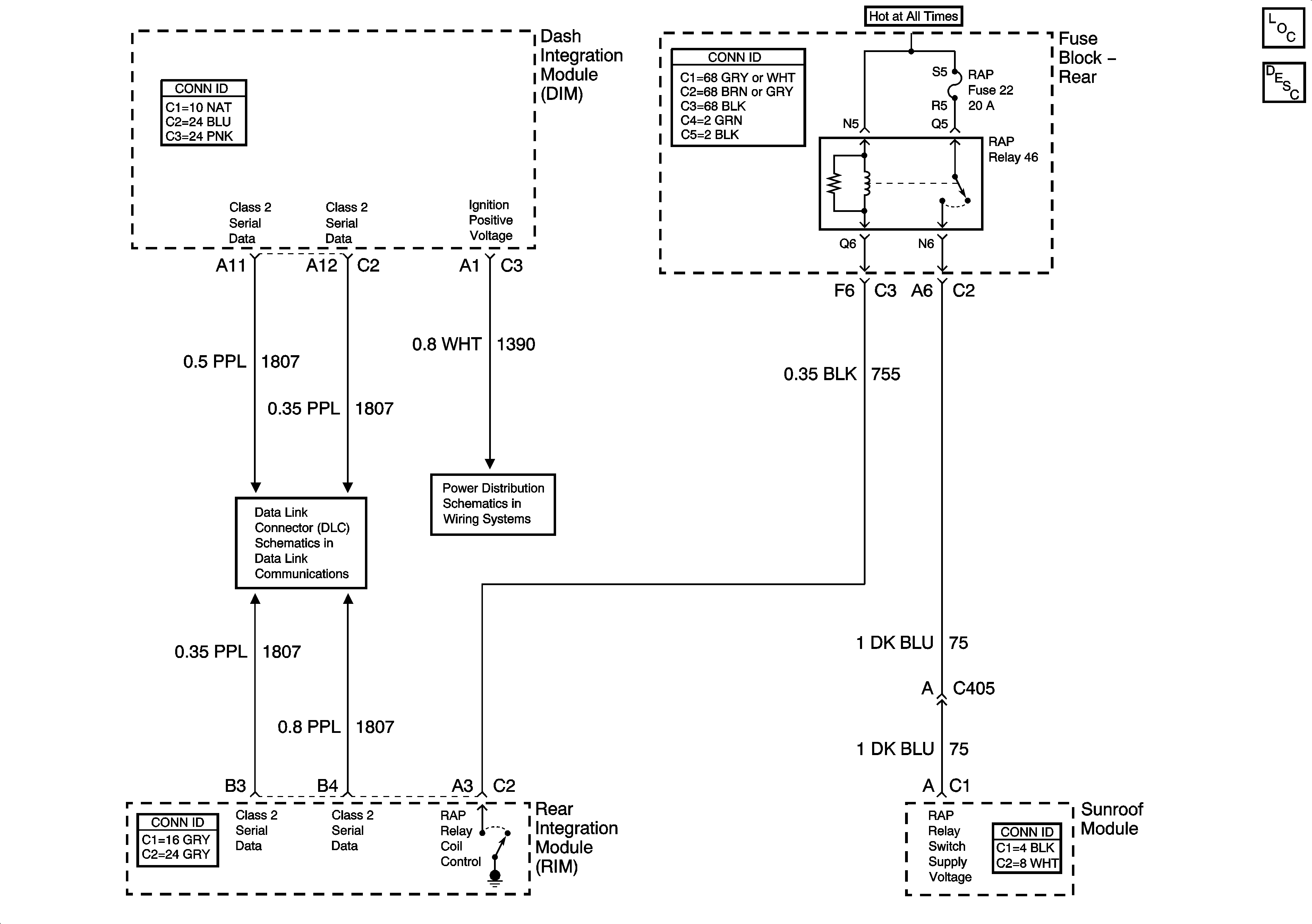
🢒 Cruise Control Schematics-Retained Accessory Power (RAP)
Cruise Control Schematics-Retained Accessory Power (RAP)
Master Electrical Component List
Retained Accessory Power (RAP) Description and Operation
Power Distribution Schematics-Ignition Switch Supply
Data Link Connector (DLC) Schematics-Serial Data Line (RH Drive) (1 of 2)