GM Service Manual Online
For 1990-2009 cars only
Makes
🢒
Cadillac
🢒
2004
🢒
Seville
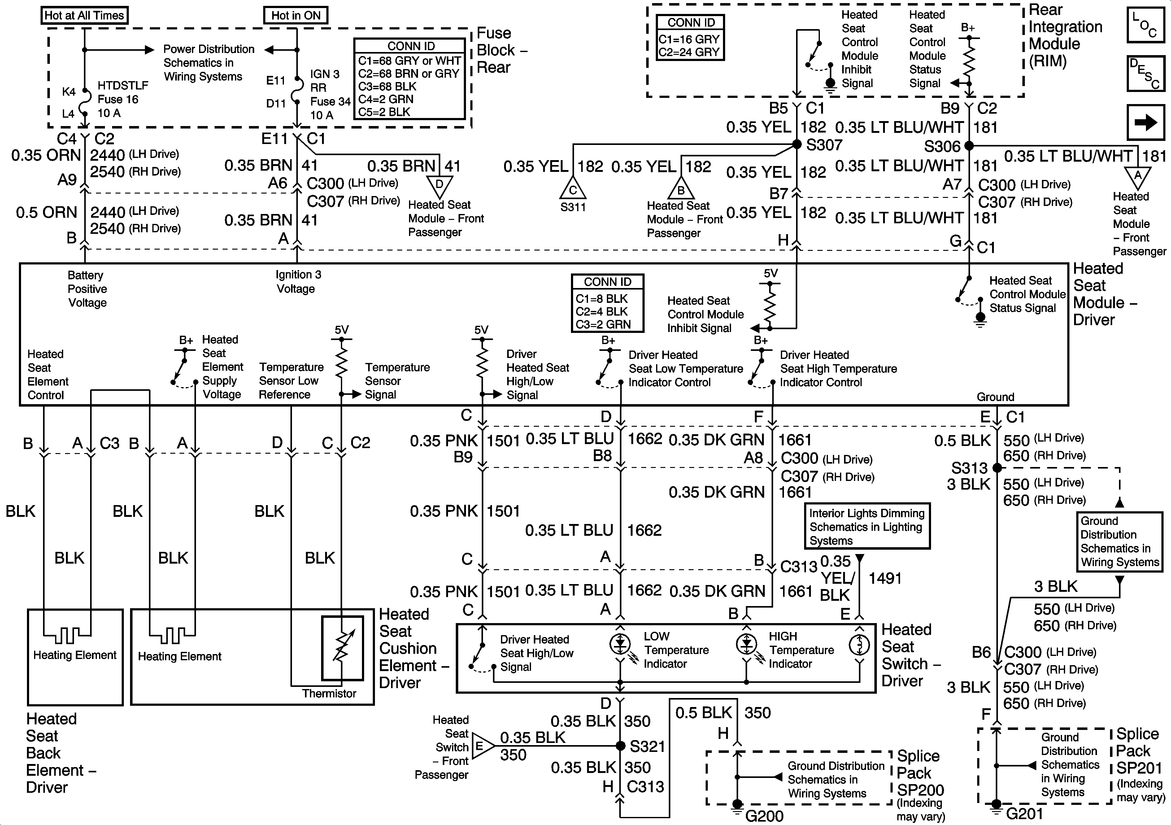
🢒 Heated Seats Schematics-Heated Seat Module, Driver
Heated Seats Schematics-Heated Seat Module, Driver
Heated Seat Module -- Driver
Master Electrical Component List
Heated Seats Description and Operation
Heated Seats Schematics-Heated Seat Module, Front Passenger
Heated Seats Schematics-Heated Seat Module, Front Passenger
Heated Seats Schematics-Heated Seat Module, Front Passenger
Heated Seats Schematics-Heated Seat Module, Front Passenger
Heated Seats Schematics-Heated Seat Modules, Left Rear and Right Rear
Heated Seats Schematics-Heated Seat Module, Front Passenger
Power Distribution Schematics-Battery Feed to Fuse Block Rear
Interior Lights Dimming Schematics-Ashtray Lamp and Steering Wheel Controls
Ground Distribution Schematics-G200 and G202
Ground Distribution Schematics-G201 (1 of 5)
Ground Distribution Schematics-G201 (1 of 5)