GM Service Manual Online
For 1990-2009 cars only
Makes
🢒
Cadillac
🢒
2004
🢒
Seville
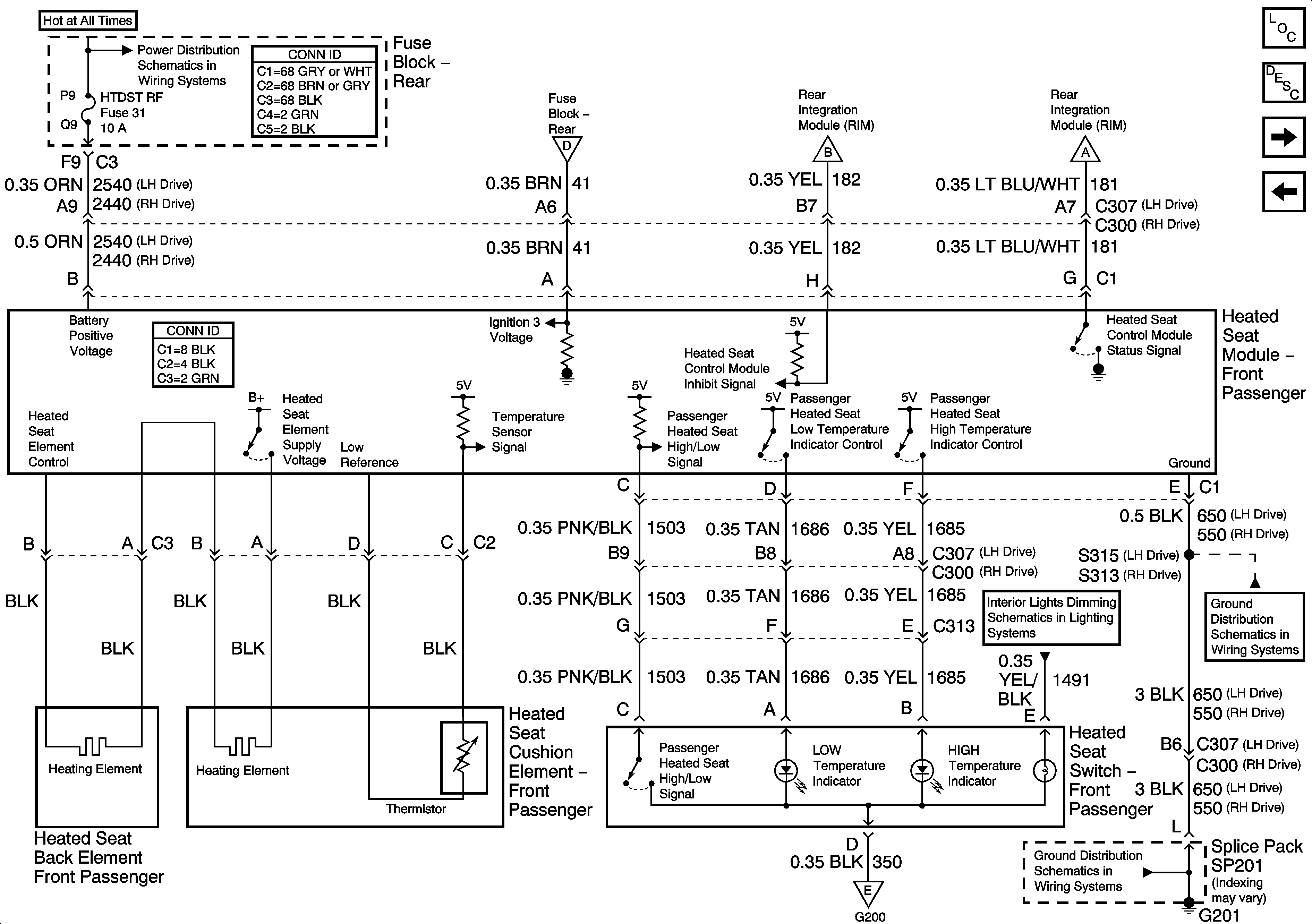
🢒 Heated Seats Schematics-Heated Seat Module, Front Passenger
Heated Seats Schematics-Heated Seat Module, Front Passenger
Heated Seat Module -- Front Passenger
Master Electrical Component List
Heated Seats Description and Operation
Heated Seats Schematics-Heated Seat Modules, Left Rear and Right Rear
Heated Seats Schematics-Heated Seat Module, Driver
Heated Seats Schematics-Heated Seat Module, Driver
Heated Seats Schematics-Heated Seat Module, Driver
Heated Seats Schematics-Heated Seat Module, Driver
Heated Seats Schematics-Heated Seat Module, Driver
Power Distribution Schematics-Battery Feed to Fuse Block Rear
Interior Lights Dimming Schematics-Ashtray Lamp and Steering Wheel Controls
Ground Distribution Schematics-G201 (3 of 5) (LH Drive)
Ground Distribution Schematics-G201 (3 of 5) (LH Drive)