GM Service Manual Online
For 1990-2009 cars only
Makes
🢒
Cadillac
🢒
2004
🢒
Seville
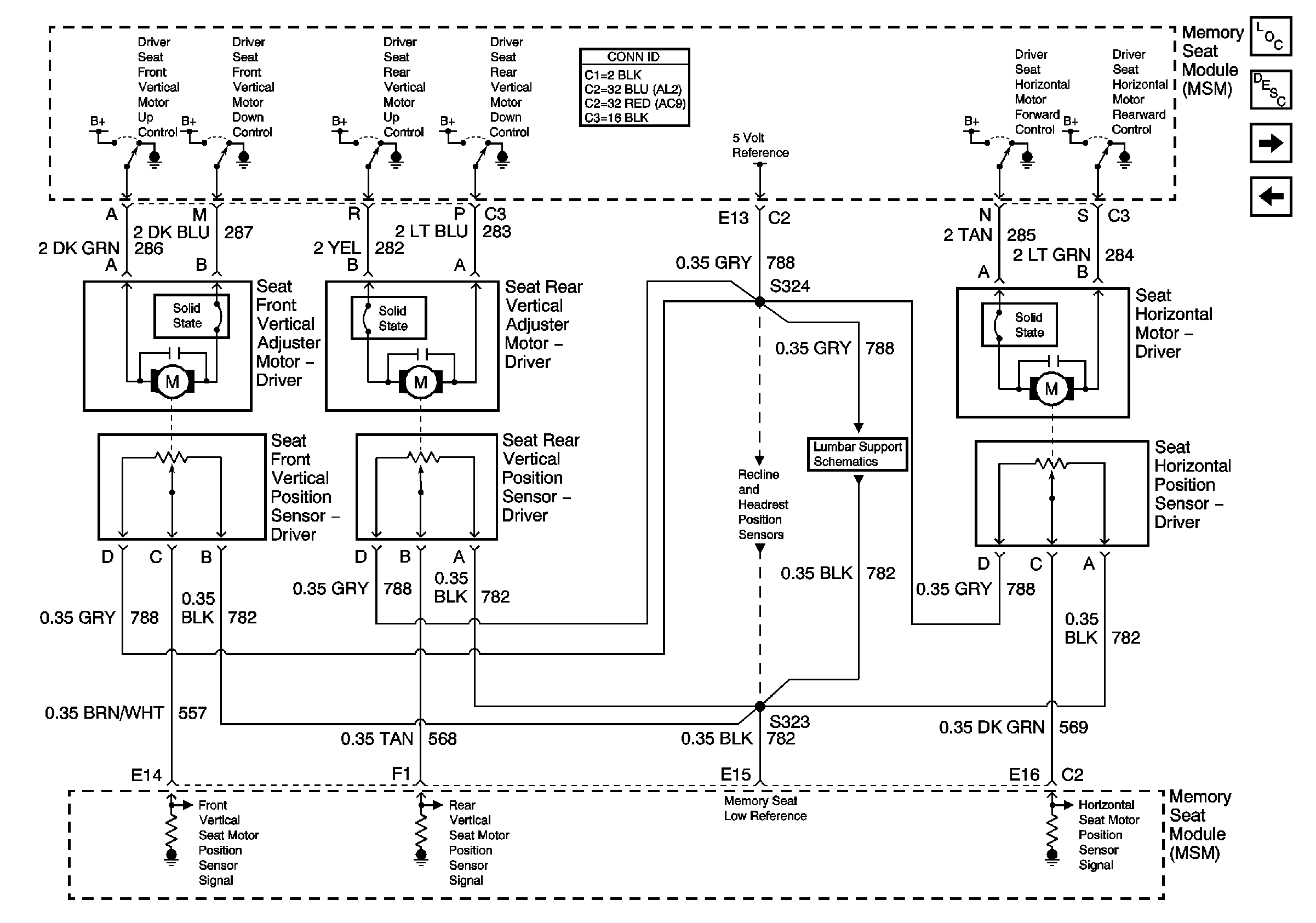
🢒 Memory Seats Schematics-Vertical and Horizontal Motors, Position Sensors
Memory Seats Schematics-Vertical and Horizontal Motors, Position Sensors
Vertical and Horizontal Motors and Position Sensors
Master Electrical Component List
Memory Seats Description and Operation
Memory Seats Schematics-Seat Recline and Headrest Motors, Position Sensors
Memory Seats Schematics- Driver Seat Adjuster Switch (W/A45)
Lumbar Support Schematics- Driver Seat Lumbar Switch,and Memory Seat Module