GM Service Manual Online
For 1990-2009 cars only
Makes
🢒
Cadillac
🢒
1998
🢒
Seville - RHD
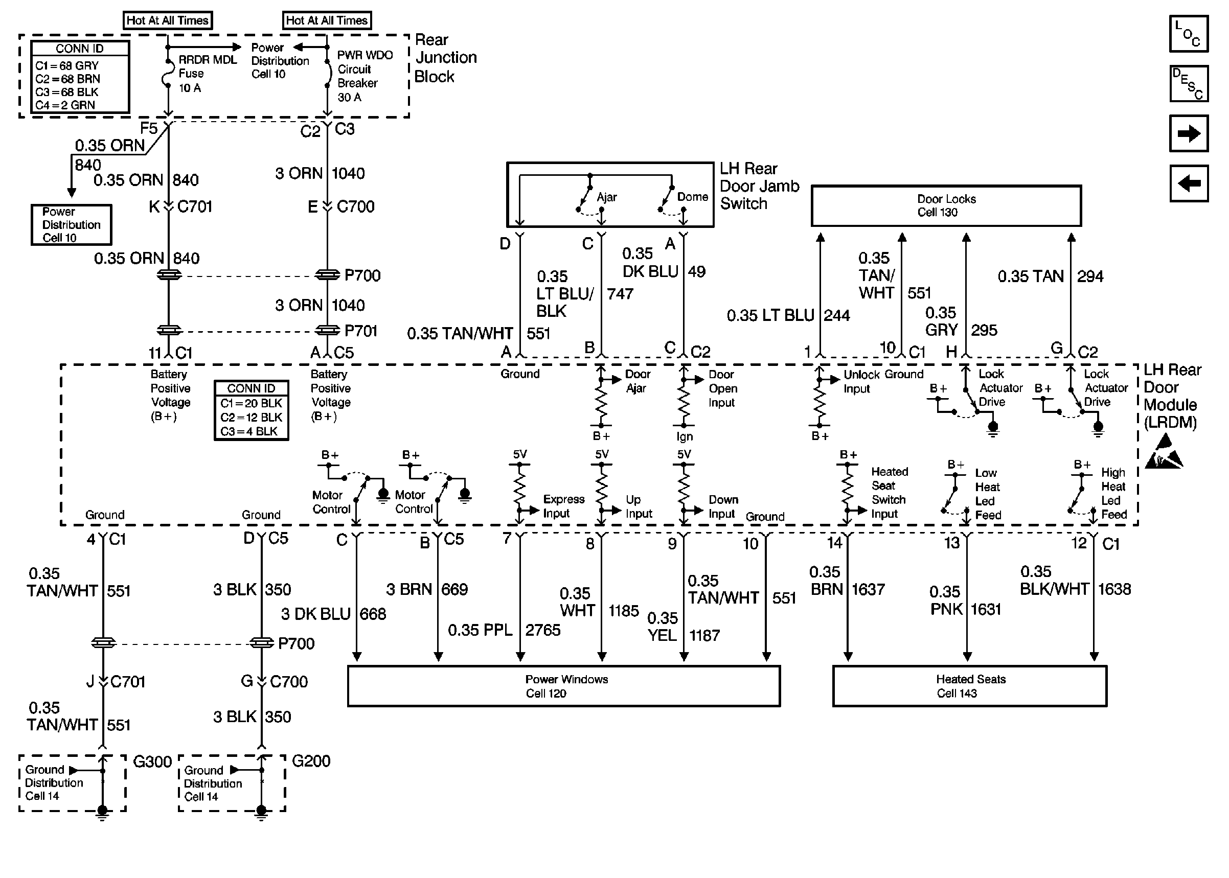
🢒 Cell 55: LRDM Power, Ground, Inputs, and Outputs
Cell 55: LRDM Power, Ground, Inputs, and Outputs
Cell 55: LRDM Power, Ground, Inputs, and Outputs
Power Door Systems Components
Door Description
Cell 55: RRDM Power, Ground, Inputs, and Outputs
Cell 55: RFDM Inputs and Outputs
Cell 130 - LH Power Door Locks
Handling ESD Sensitive Parts Notice
Cell 143: Rear Heated Seat Switches
Cell 120 - LH Power Windows
Cell 14: G200 (1 of 2)
Cell 14: G300
Power Door Systems Connector End Views
Cell 10: DRV MDL, PASS MDL, RRDR MDL, and ALDL Fuses
Power Door Systems Connector End Views
Cell 10: DRV MDL, PASS MDL, RRDR MDL, and ALDL Fuses