GM Service Manual Online
For 1990-2009 cars only
Makes
🢒
Cadillac
🢒
1998
🢒
Seville - RHD
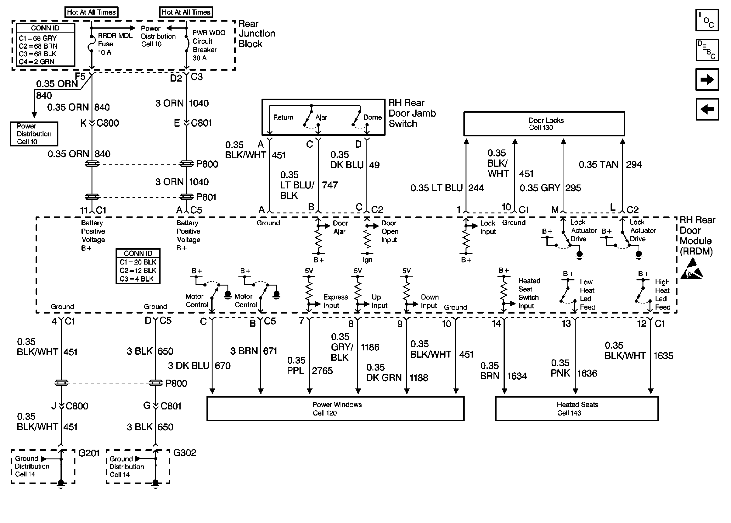
🢒 Cell 55: RRDM Power, Ground, Inputs, and Outputs
Cell 55: RRDM Power, Ground, Inputs, and Outputs
Cell 55: RRDM Power, Ground, Inputs, and Outputs
Power Door Systems Components
Door Description
Cell 55: LH Front Power Window Switch
Cell 55: LRDM Power, Ground, Inputs, and Outputs
Handling ESD Sensitive Parts Notice
Cell 130 - RH Power Door Lock
Cell 143: Rear Heated Seat Switches
Cell 120 - RH Power Window
Cell 14: G302
Power Door Systems Connector End Views
Cell 10: DRV MDL, PASS MDL, RRDR MDL, and ALDL Fuses
Power Door Systems Connector End Views
Cell 10: DRV MDL, PASS MDL, RRDR MDL, and ALDL Fuses
Cell 14: G201 (1 of 2)