GM Service Manual Online
For 1990-2009 cars only
Makes
🢒
Cadillac
🢒
2001
🢒
Seville - RHD
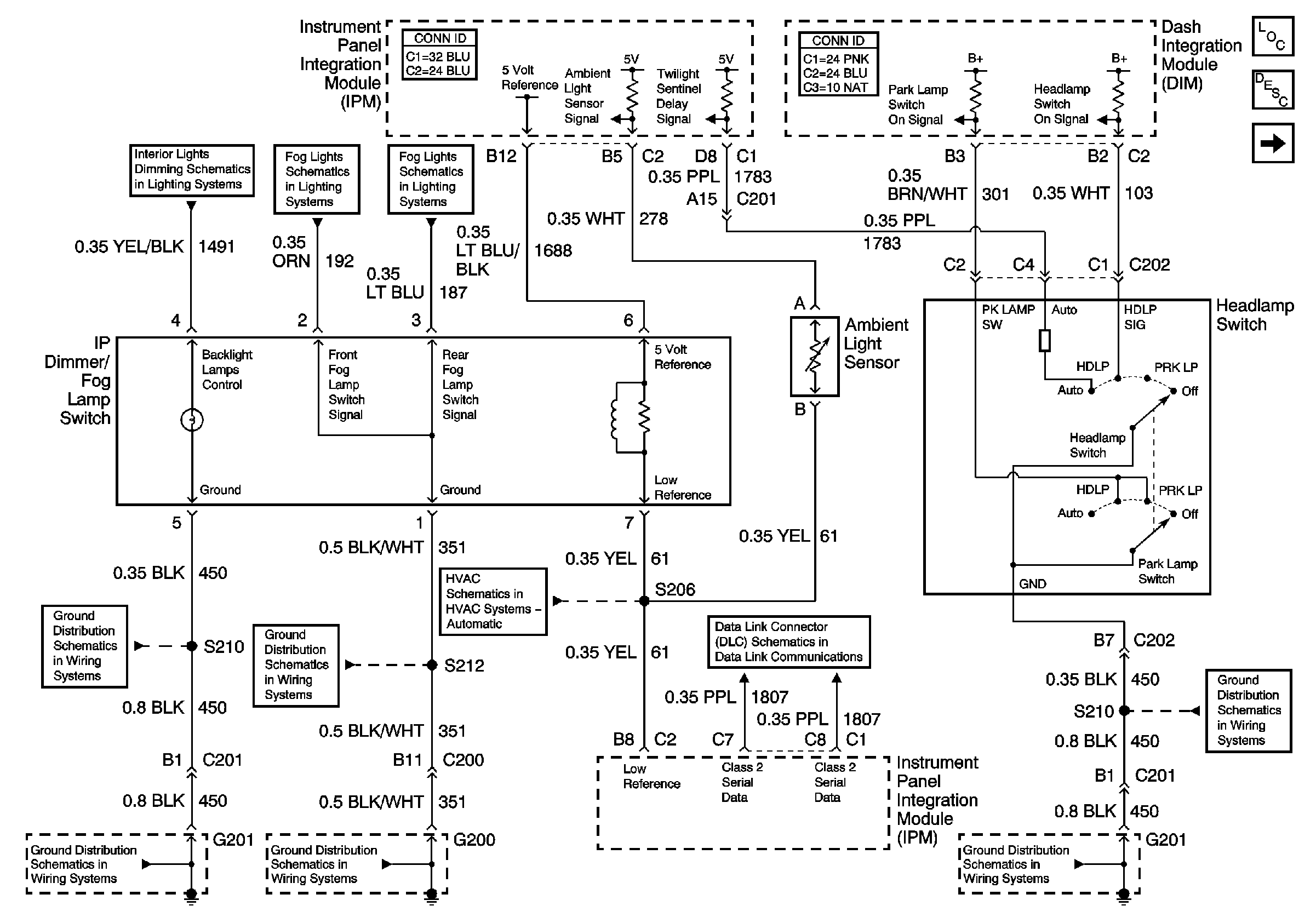
🢒 Headlamp Switch Power and Ground
Headlamp Switch Power and Ground
Headlamp Switch Power and Ground
Low Beam Headlamps
Lighting Systems Component Views
Exterior Lighting Systems Description and Operation
DIC and Headlamp Switch
Front Fog Lamps
Rear Fog Lamps
G201 (2 of 3)
G201 (2 of 3)
G200
G200
Class 2 Serial Data Line (RH Drive) (2 of 2)
G201 (2 of 3)
G201 (2 of 3)