GM Service Manual Online
For 1990-2009 cars only
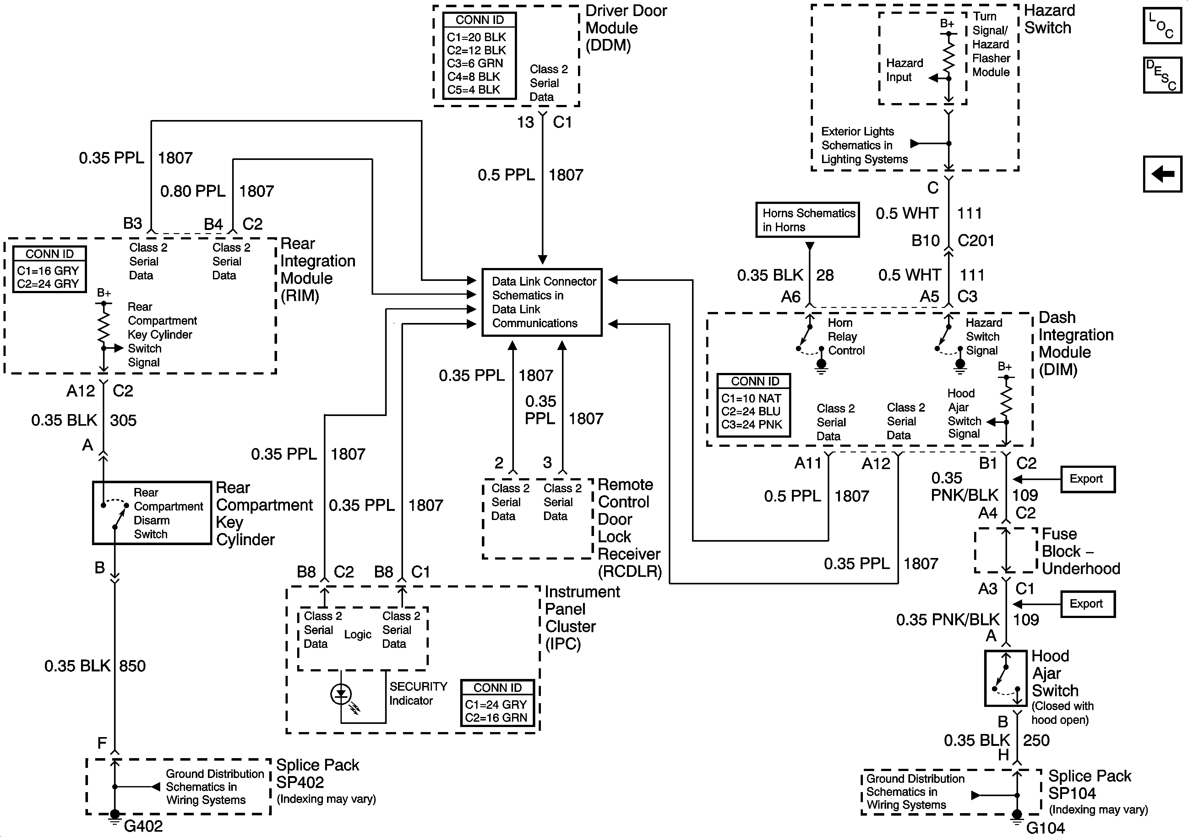
Figure 1:

Vehicle Theft Deterrent (VTD) System (LH Drive)


Object Number: 783694  Size: FS
Master Electrical Component List
Theft Systems Description and Operation
Vehicle Theft Deterrent (VTD) System (RH Drive)
G202 1 of 3
G202 1 of 3
Ignition Switch Supply
Ignition Switch Supply
Battery Feed to Fuse Block - Rear
Battery Feed to Fuse Block - Underhood
Battery Feed to Fuse Block - Underhood
Battery Feed to Fuse Block - Underhood
Class 2 Serial Data Line (LH Drive) (1 of 2)
Starting Controls
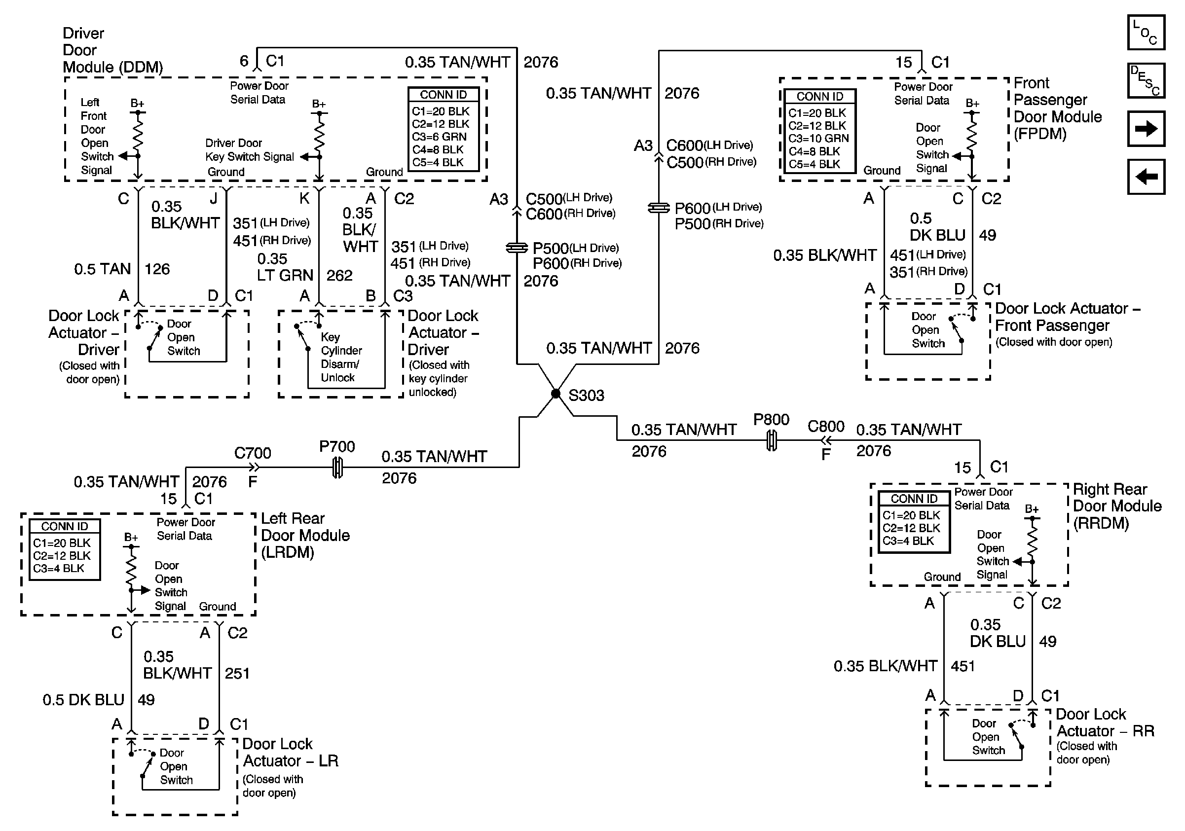
Figure 2:

Vehicle Theft Deterrent (VTD) System (RH Drive)


Object Number: 783697  Size: FS
Master Electrical Component List
Theft Systems Description and Operation
Content Theft Deterrent (CTD) System
Vehicle Theft Deterrent (VTD) System (LH Drive)
Class 2 Serial Data Line (RH Drive) (2 of 2)
Starting Controls
G202 1 of 3
G202 1 of 3
Ignition Switch Supply
Ignition Switch Supply
Ignition Switch Supply
Battery Feed to Fuse Block - Rear
Battery Feed to Fuse Block - Underhood
Battery Feed to Fuse Block - Underhood
Battery Feed to Fuse Block - Underhood
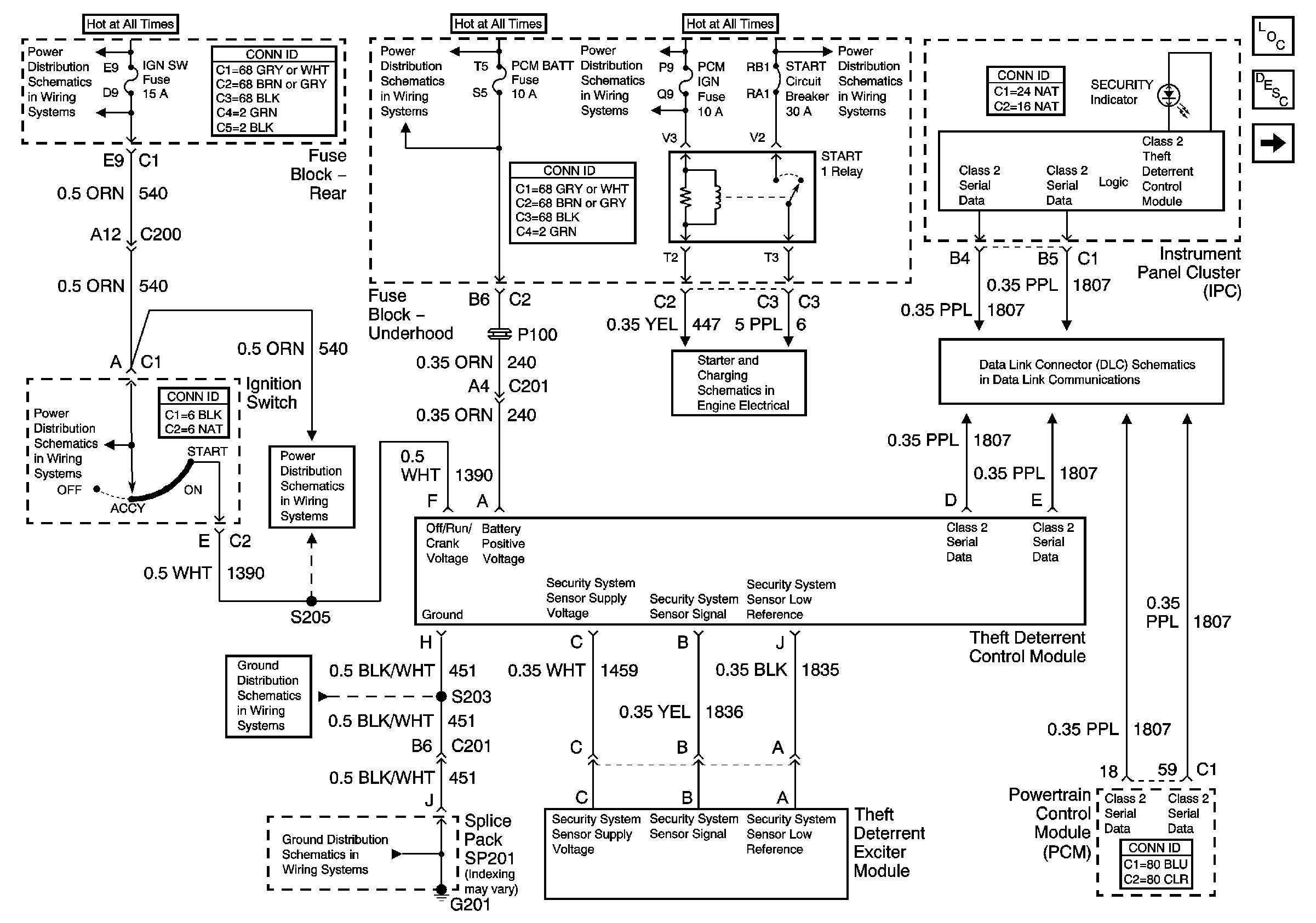
Figure 3:

Content Theft Deterrent (CTD) System


Object Number: 794909  Size: FS
Master Electrical Component List
Theft Systems Description and Operation
Class 2 and Tamper Switches
Vehicle Theft Deterrent (VTD) System (RH Drive)
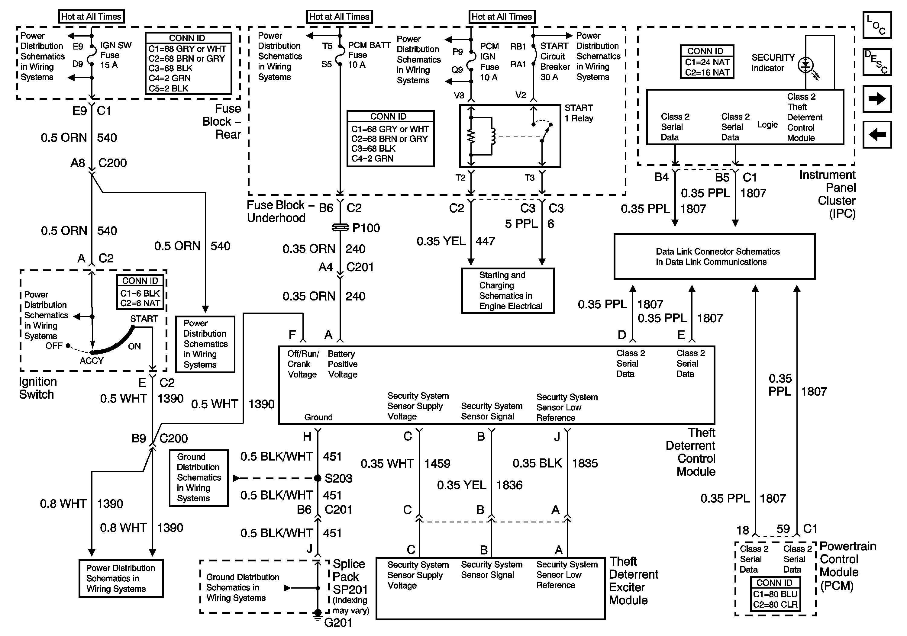
Figure 4:

Class 2 and Tamper Switches


Object Number: 792096  Size: FS
Master Electrical Component List
Theft Systems Description and Operation
Content Theft Deterrent (CTD) System
G104
G402 1 of 2
Class 2 Serial Data Line (LH Drive) (1 of 2)
Power and Ground