GM Service Manual Online
For 1990-2009 cars only
Makes
🢒
Cadillac
🢒
2004
🢒
XLR
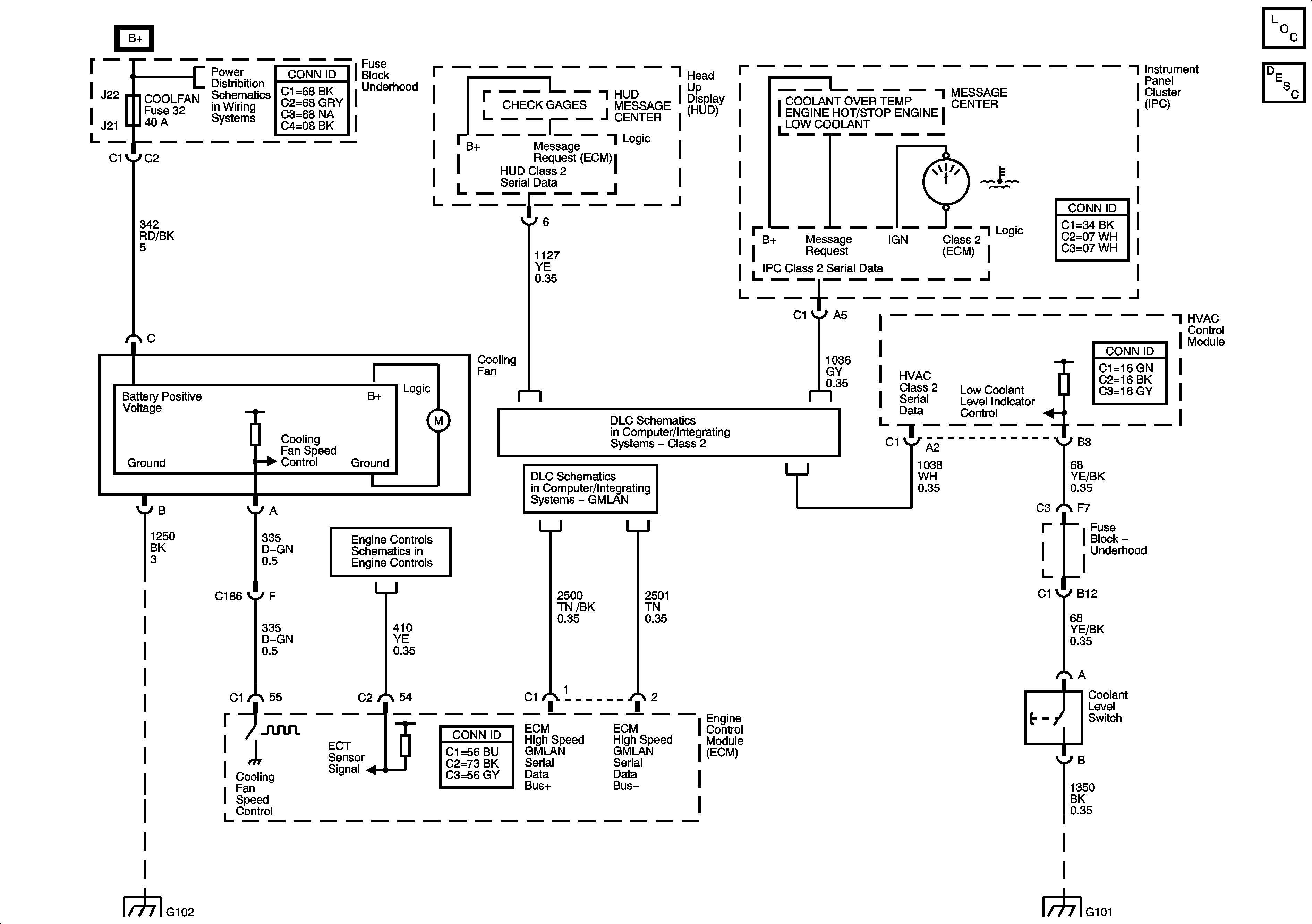
🢒 Engine Cooling Schematics
Engine Cooling Schematics
Master Electrical Component List
Cooling System Description and Operation
Fuse Block-Underhood Bussing
Class 2
GMLAN
Engine Data Sensors-Pressure Temperature, MAF, VSS, and Brake Travel