GM Service Manual Online
For 1990-2009 cars only
Makes
🢒
Cadillac
🢒
2004
🢒
XLR
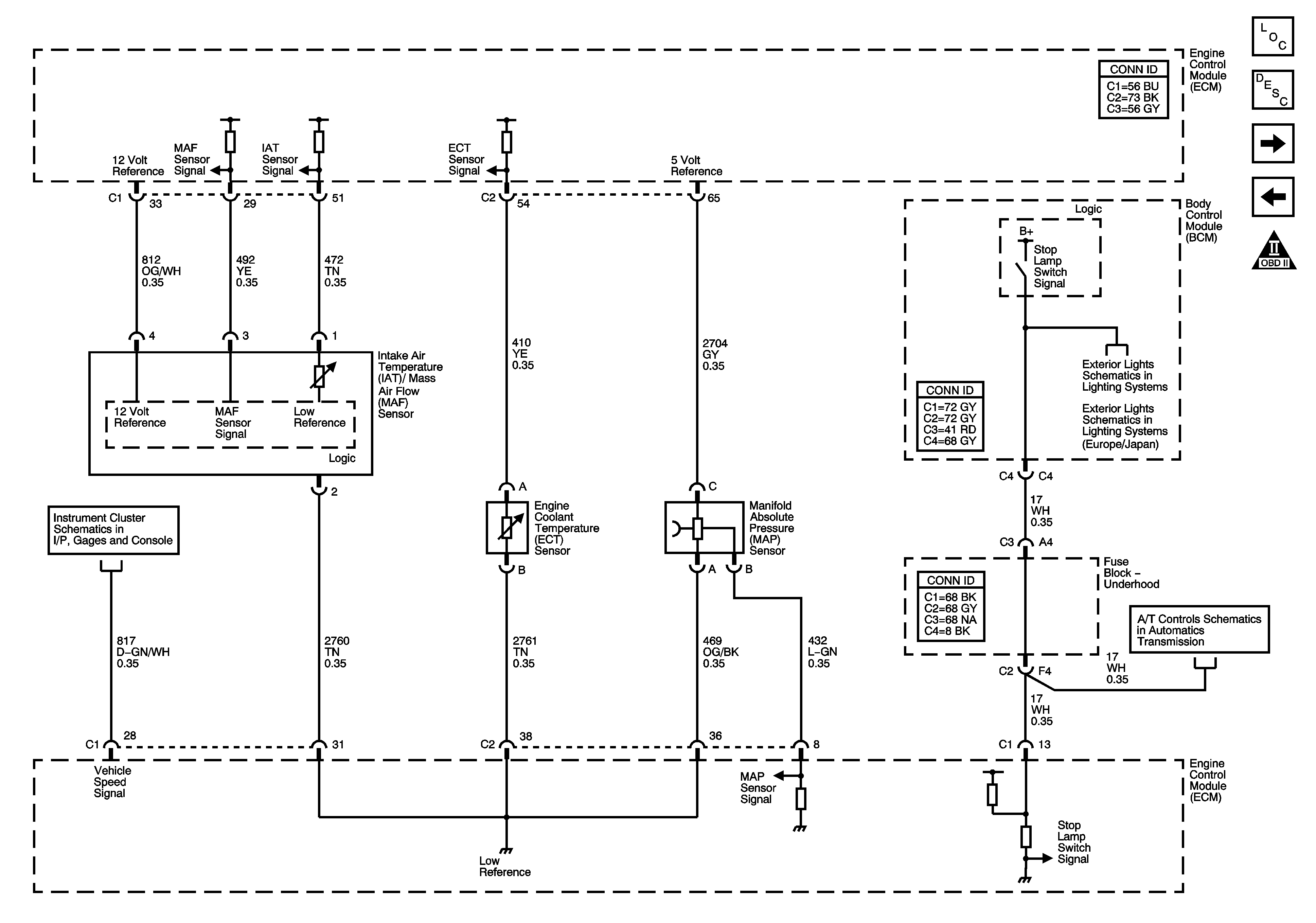
🢒 Engine Data Sensors-Pressure Temperature, MAF, VSS, and Brake Travel
Engine Data Sensors-Pressure Temperature, MAF, VSS, and Brake Travel
Engine Data Sensors-Pressure, Temperature, MAF, VSS, and Brake Travel
Master Electrical Component List
Air Intake System Description
Oxygen Sensors
Low Reference Bussing
Engine Controls Schematic Icons
Gages
Stoplamps
Stoplamps
Shift Lever