GM Service Manual Online
For 1990-2009 cars only
Makes
🢒
Cadillac
🢒
2004
🢒
XLR
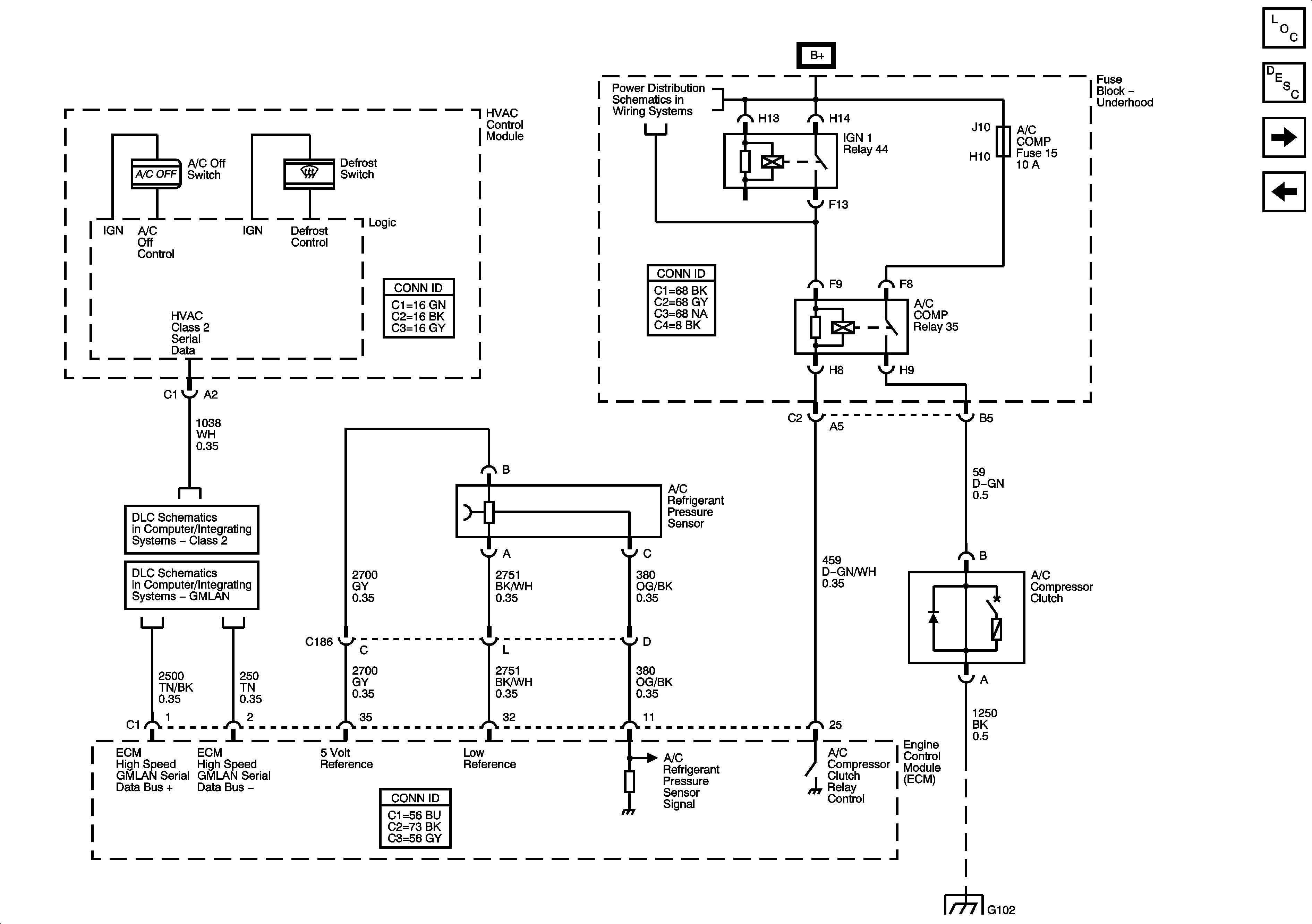
🢒 Compressor Controls
Compressor Controls
Compressor Controls
Master Electrical Component List
Air Delivery Description and Operation
Temperature Sensors
Blower Controls, DLC, Ground, MIL, Power, and Subsystem References
Fuse Block-Underhood Bussing
Class 2
GMLAN