GM Service Manual Online
For 1990-2009 cars only
Makes
🢒
Cadillac
🢒
2004
🢒
XLR
🢒 Blower Controls, DLC, Ground, MIL, Power, and Subsystem References
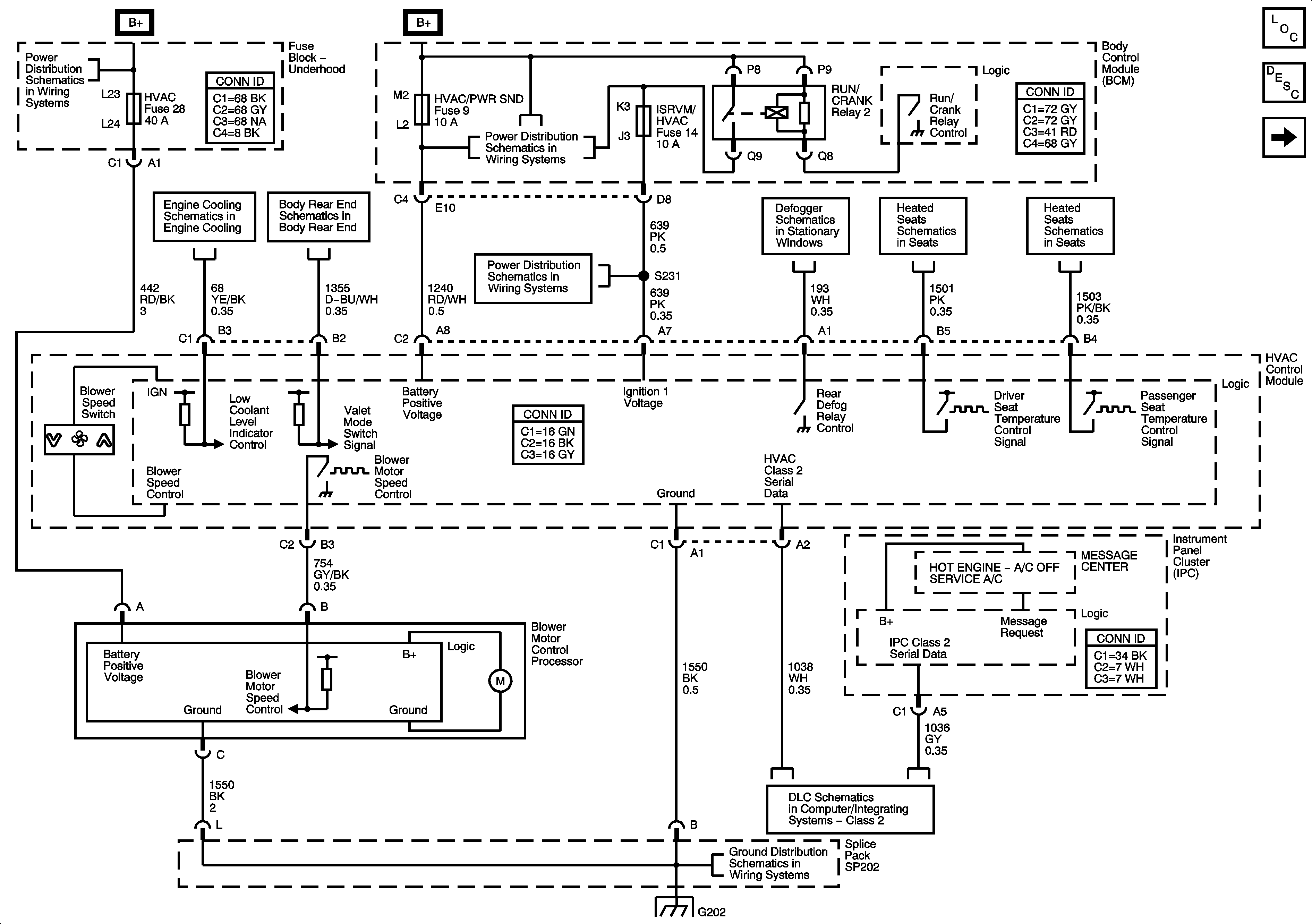
Blower Controls, DLC, Ground, MIL, Power, and Subsystem References
Blower Controls, DLC, Ground, MIL, Power, and Subsystem References
Master Electrical Component List
Air Delivery Description and Operation
Compressor Controls
Fuse Block-Underhood Bussing
Engine Cooling Schematics
Power, Ground, DLC and Messages
BCM Fuses; A.C.LATCH/PK BRK B, CLUSTER, DOOR LOCKS, HVAC/PWR SND, INTERIOR LIGHTS, ISRVM/HVAC, and TUTD SW/STRG COL SW
BCM Fuses; A.C.LATCH/PK BRK B, CLUSTER, DOOR LOCKS, HVAC/PWR SND, INTERIOR LIGHTS, ISRVM/HVAC, and TUTD SW/STRG COL SW
Defogger
Driver
Passenger
Class 2
G202-1 of 2