GM Service Manual Online
For 1990-2009 cars only
Makes
🢒
Cadillac
🢒
2004
🢒
XLR
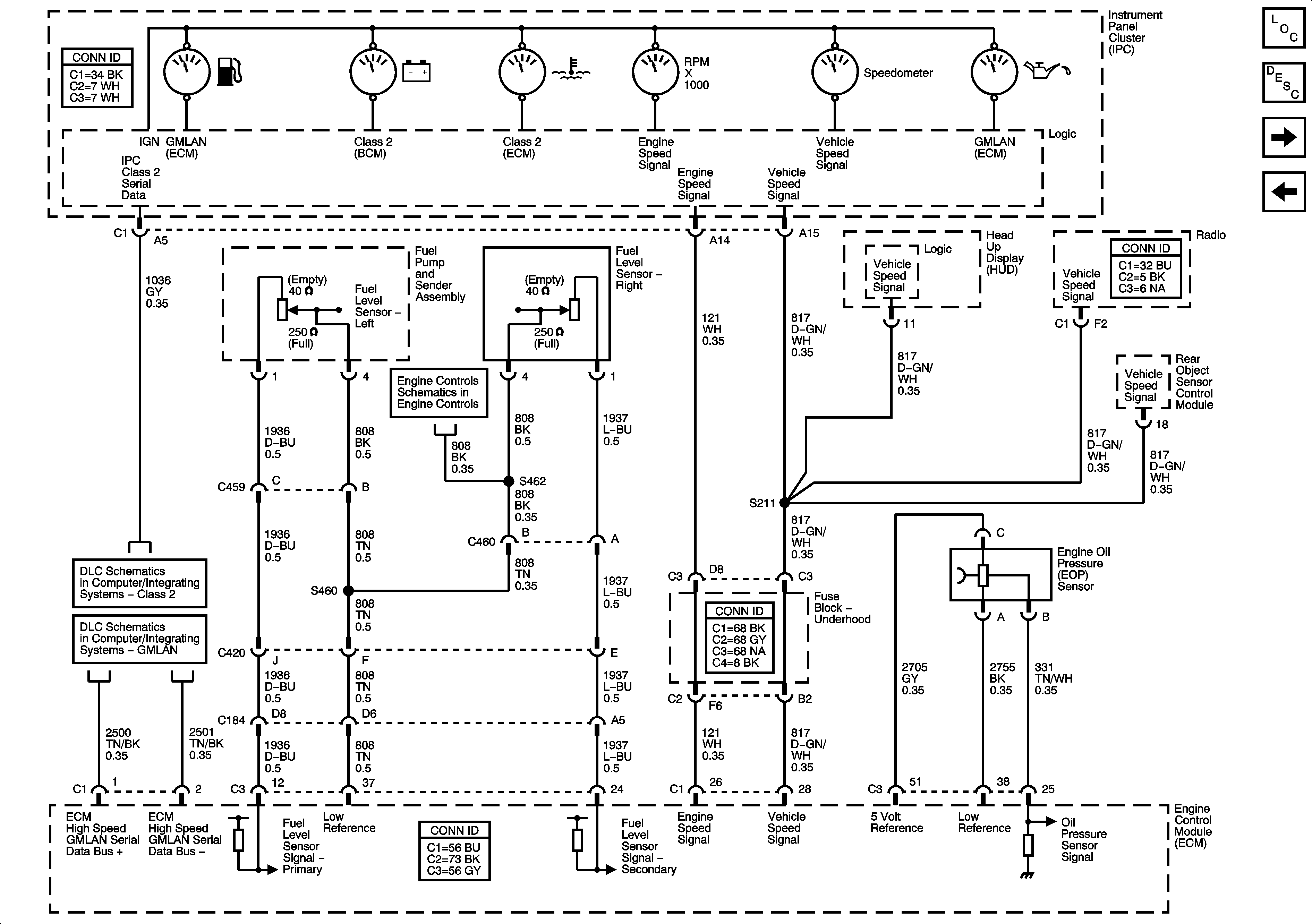
🢒 Gages
Gages
Gages
Master Electrical Component List
Indicator/Warning Message Description and Operation
Messages
DLC, Ground, Indicators, and Power
EVAP Controls
Class 2
GMLAN