GM Service Manual Online
For 1990-2009 cars only
Makes
🢒
Cadillac
🢒
2004
🢒
XLR
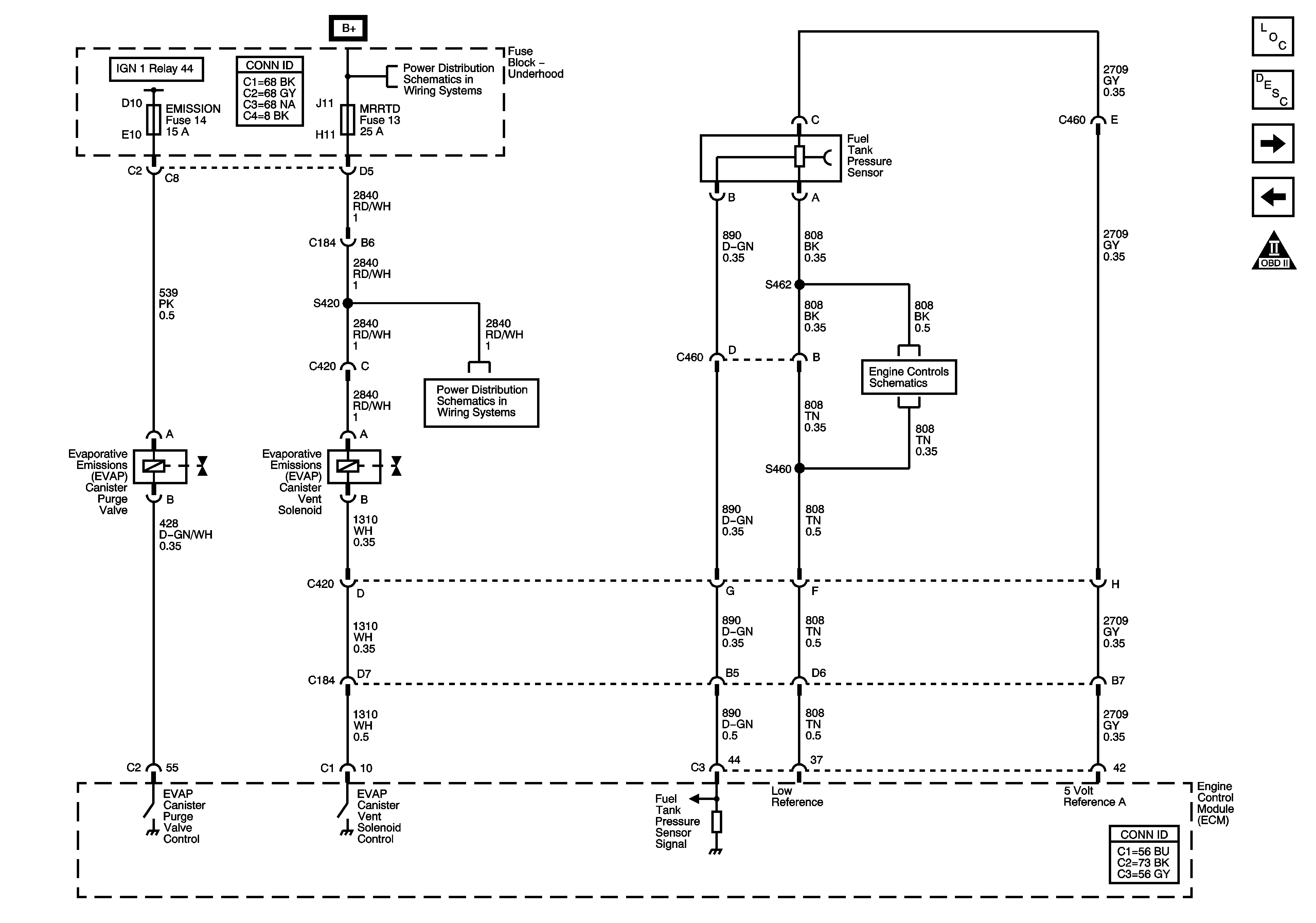
🢒 EVAP Controls
EVAP Controls
Fuel Controls-EVAP Controls
Master Electrical Component List
Evaporative Emission Control System Description
Controlled/Monitored Subsystem References
Fuel Controls-Fuel Injectors and Fuel Pump Controls
Engine Controls Schematic Icons
Fuse Block-Underhood Bussing
Fuse Block-Underhood Bussing
Low Reference Bussing