GM Service Manual Online
For 1990-2009 cars only
Makes
🢒
Cadillac
🢒
2004
🢒
XLR
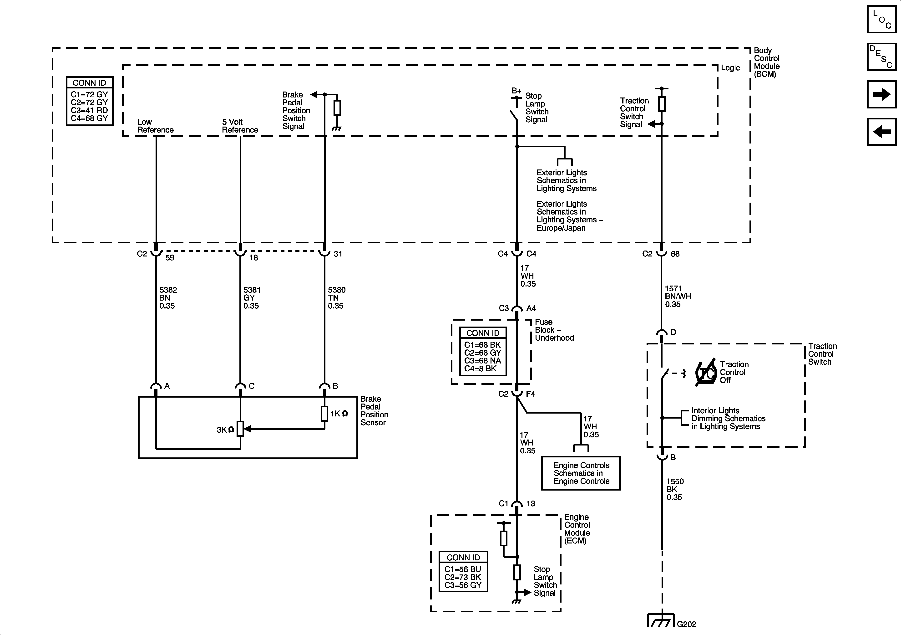
🢒 Brake Pedal Signal, and Traction Control Switch
Brake Pedal Signal, and Traction Control Switch
Brake Pedal Signal, and Traction Control Switch
Master Electrical Component List
ABS Description and Operation
Stability Control Sensors
Wheel Speed Sensors
Stoplamps
Stoplamps
Engine Data Sensors-Pressure Temperature, MAF, VSS, and Brake Travel
DLC, HVAC Control Module, Radio and Switches