GM Service Manual Online
For 1990-2009 cars only
Makes
🢒
Cadillac
🢒
2004
🢒
XLR
🢒 Low Reference Bussing
Low Reference Bussing
Low Reference Bussing
Master Electrical Component List
Engine Control Module Description
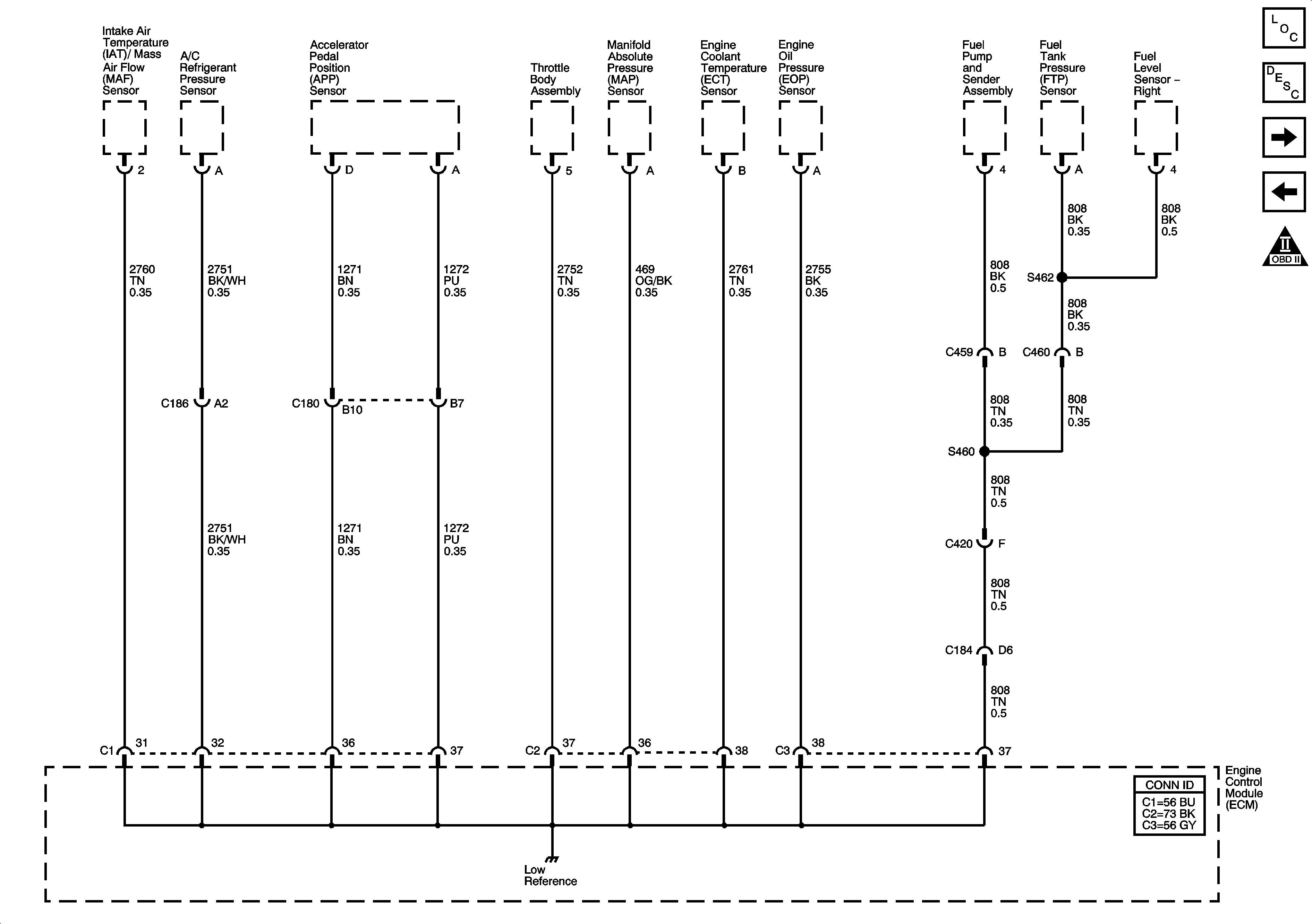
Engine Data Sensors-Pressure Temperature, MAF, VSS, and Brake Travel
12 Volt and 5 Volt Reference Bussing
Engine Controls Schematic Icons