GM Service Manual Online
For 1990-2009 cars only
Makes
🢒
Cadillac
🢒
2004
🢒
XLR
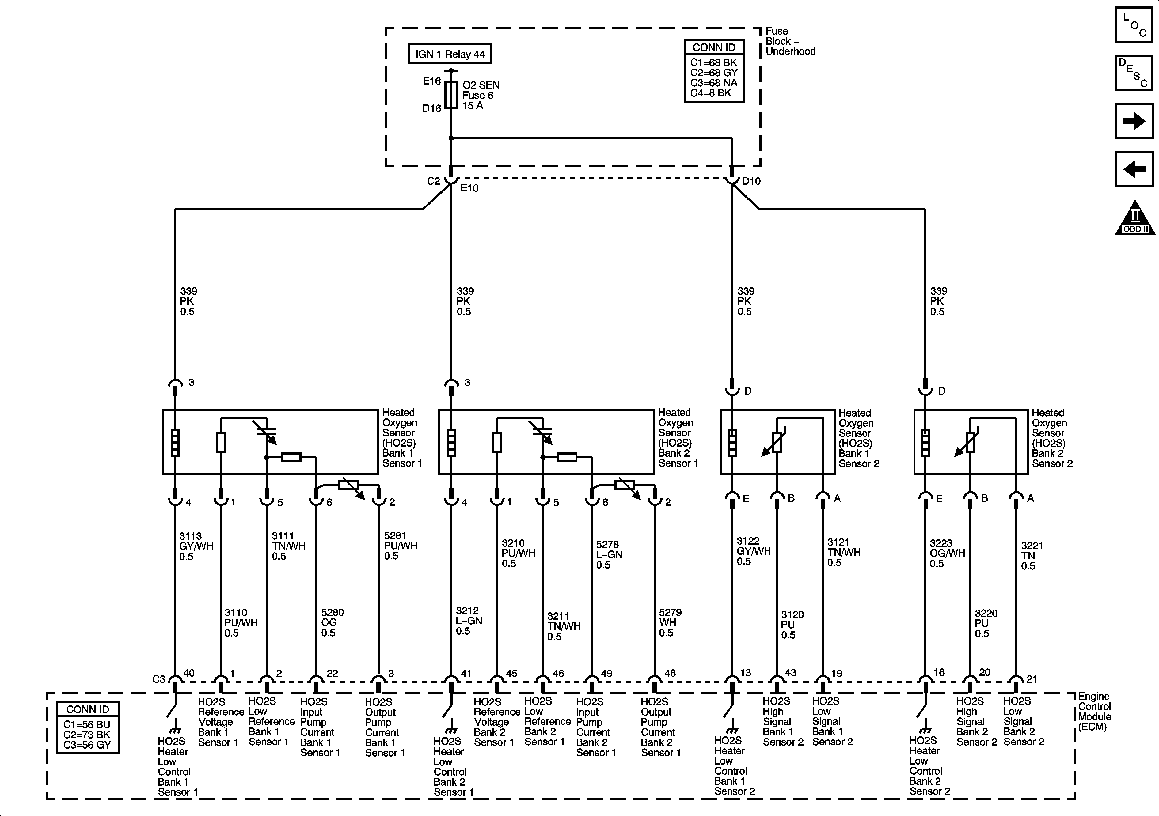
🢒 Oxygen Sensors
Oxygen Sensors
Engine Data Sensors-Oxygen Sensors
Master Electrical Component List
Engine Control Module Description
Electronic Throttle Controls
Engine Data Sensors-Pressure Temperature, MAF, VSS, and Brake Travel
Engine Controls Schematic Icons