GM Service Manual Online
For 1990-2009 cars only
Makes
🢒
Cadillac
🢒
2004
🢒
XLR
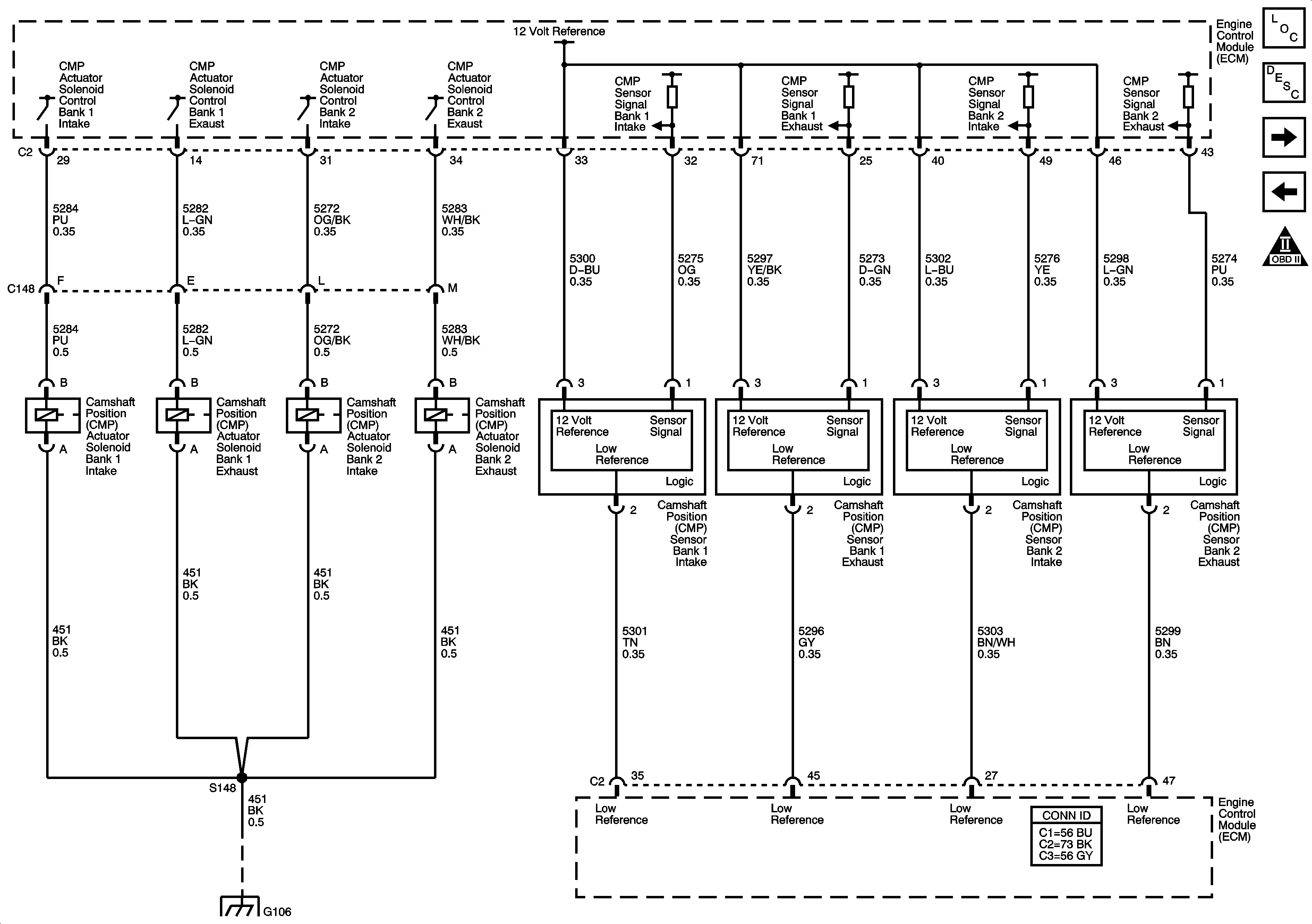
🢒 CMP Sensors and Solenoids
CMP Sensors and Solenoids
Ignition Controls-CMP Sensors and Solenoids
Master Electrical Component List
Camshaft Actuator System Description
Fuel Controls-Fuel Injectors and Fuel Pump Controls
Ignition Controls-CKP and KS Sensors
Engine Controls Schematic Icons