GM Service Manual Online
For 1990-2009 cars only
Makes
🢒
Cadillac
🢒
2004
🢒
XLR
🢒 Fuel Controls-Fuel Injectors and Fuel Pump Controls
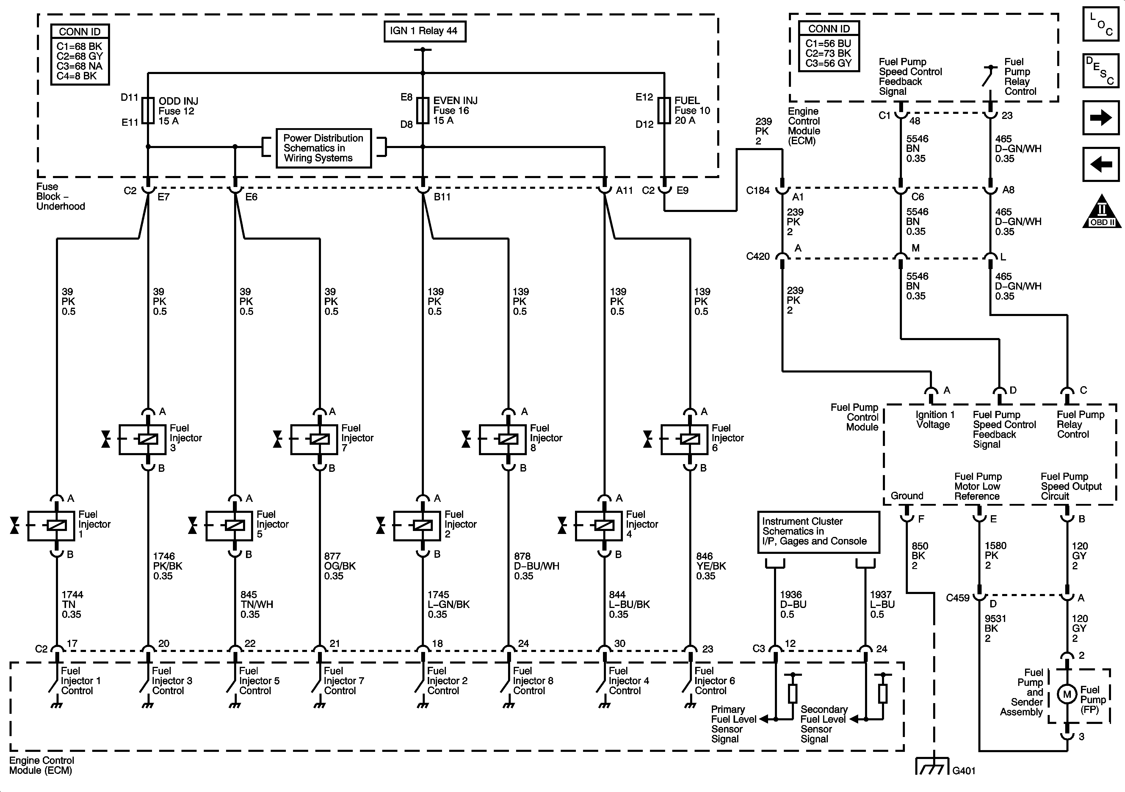
Fuel Controls-Fuel Injectors and Fuel Pump Controls
Fuel Controls-Fuel Injectors and Fuel Pump Controls
Master Electrical Component List
Fuel System Description
EVAP Controls
CMP Sensors and Solenoids
Engine Controls Schematic Icons
Fuse Block-Underhood Bussing
Gages