GM Service Manual Online
For 1990-2009 cars only
Makes
🢒
Cadillac
🢒
2005
🢒
XLR
🢒 Blower Controls, DLC, Ground, MIL, Power and Subsystem References
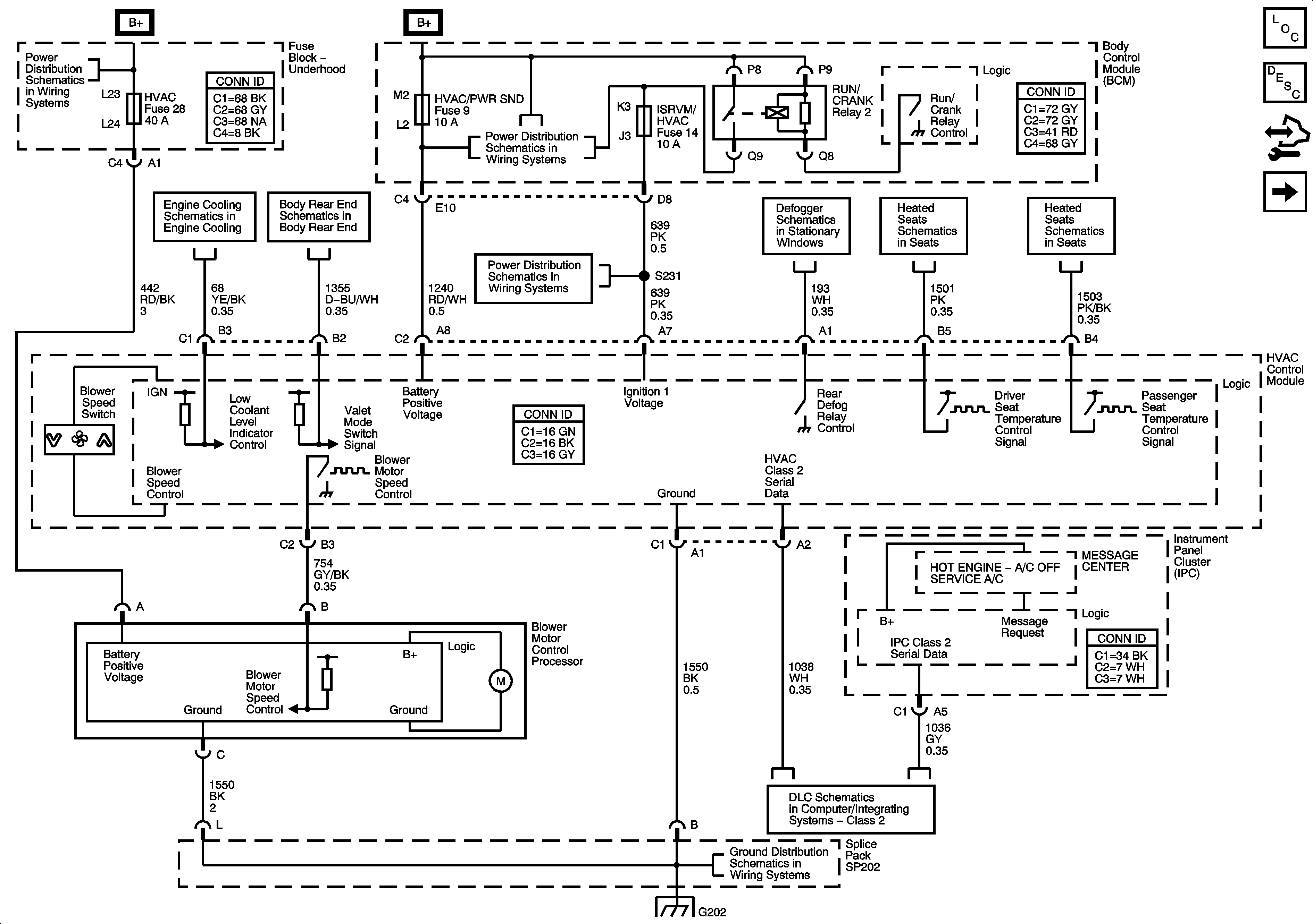
Blower Controls, DLC, Ground, MIL, Power and Subsystem References
Blower Controls, DLC, Ground, MIL, Power, and Subsystem References
Master Electrical Component List
Air Delivery Description and Operation
Control Module References
Compressor Controls
Fuse Block - Underhood Bussing
Early Production
Body Rear End
BCM Fuses - AC LATCH/PK BRK B, CLUSTER, DOOR LOCKS, HVAC/PWR SND, INTERIOR LIGHTS, ISRVM/HVAC, and TUTD SW/STRG COL SW
BCM Fuses - AC LATCH/PK BRK B, CLUSTER, DOOR LOCKS, HVAC/PWR SND, INTERIOR LIGHTS, ISRVM/HVAC, and TUTD SW/STRG COL SW
Defogger
Heated Seats - Driver
8-Way Power Seat Controls
DLC - Class 2
G202 - 1 of 2