GM Service Manual Online
For 1990-2009 cars only
Makes
🢒
Cadillac
🢒
2005
🢒
XLR
🢒 Defogger
Defogger
Master Electrical Component List
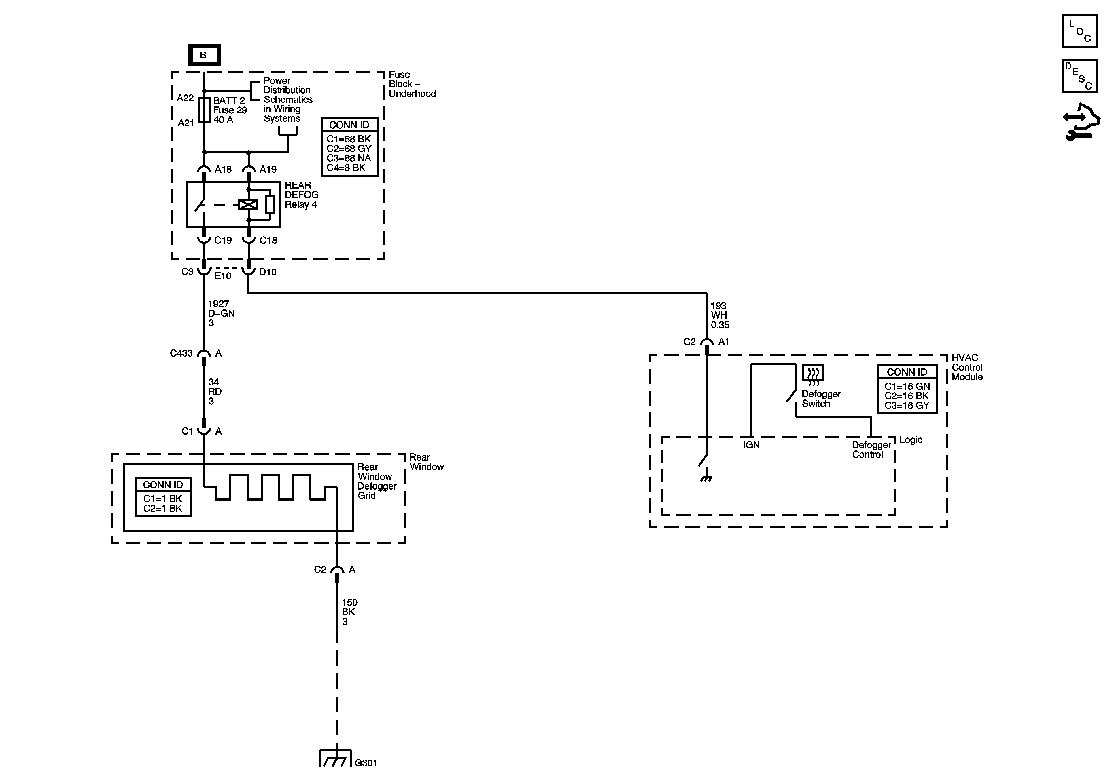
Rear Window Defogger Description and Operation
Control Module References
Fuse Block - Underhood Bussing
G301