GM Service Manual Online
For 1990-2009 cars only
Makes
🢒
Cadillac
🢒
2005
🢒
XLR
🢒 Charging
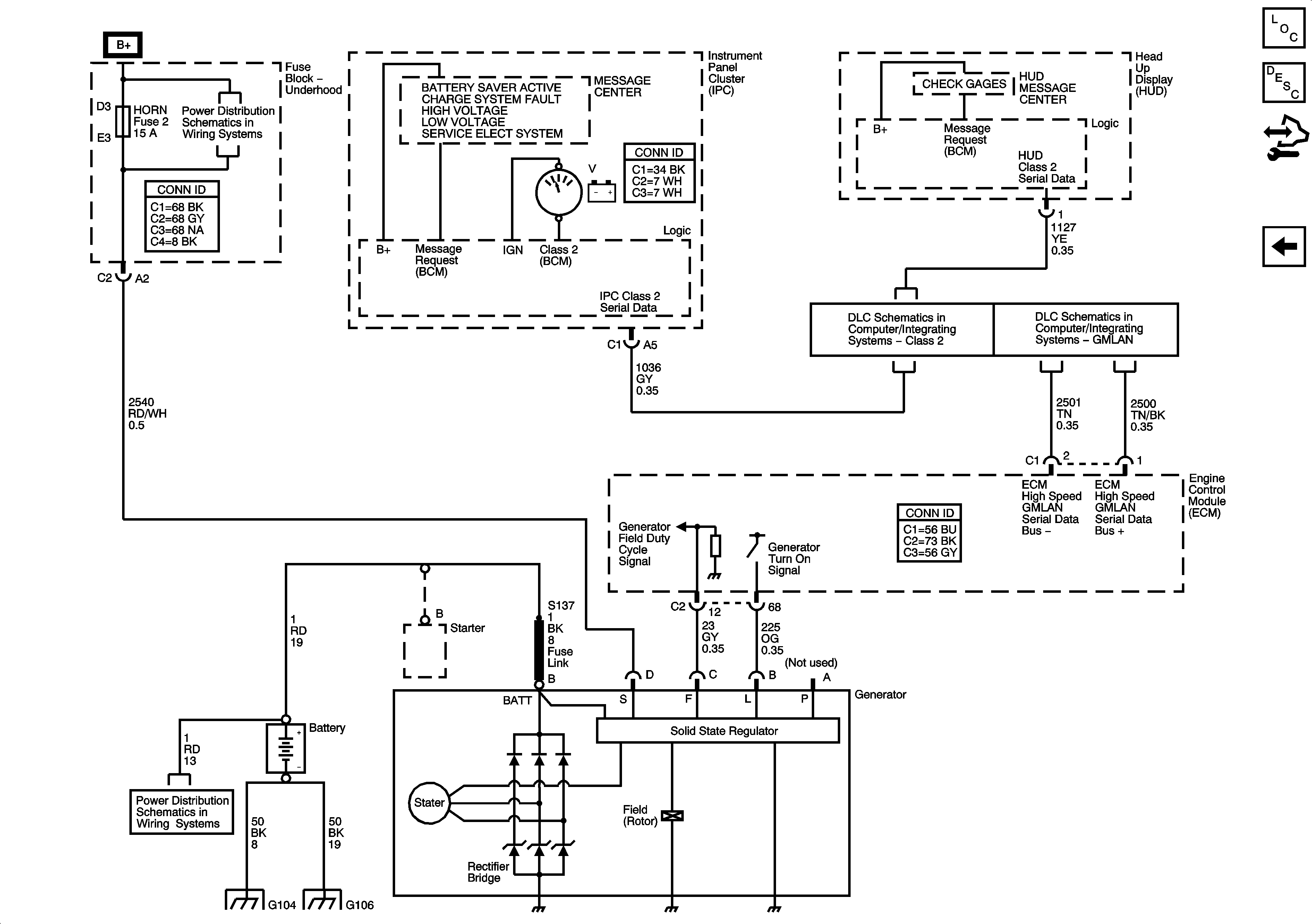
Charging
Charging
Master Electrical Component List
Charging System Description and Operation
Control Module References
Cranking
Fuse Block - Underhood Bussing
DLC - Class 2
GMLAN
Fuse Block - Underhood Bussing
G104 and G106
G104 and G106