GM Service Manual Online
For 1990-2009 cars only
Makes
🢒
Cadillac
🢒
2005
🢒
XLR
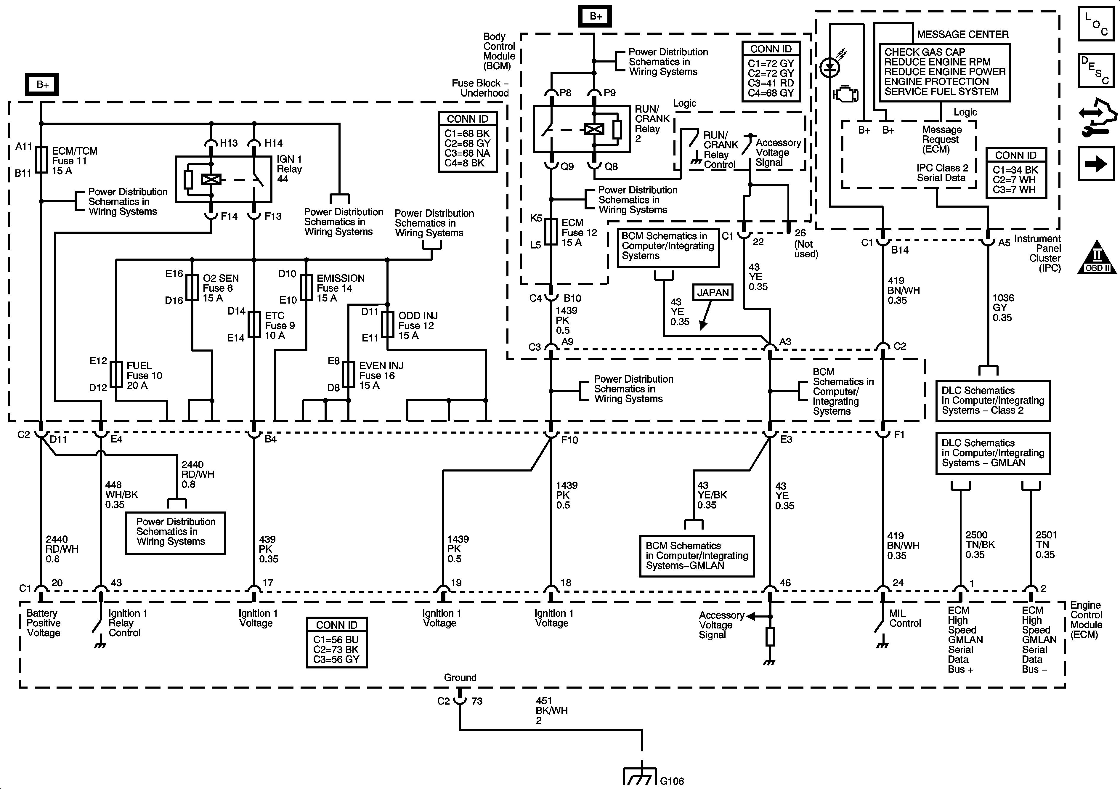
🢒 DLC, Ground, MIL and Power
DLC, Ground, MIL and Power
DLC, Ground, MIL, and Power
Master Electrical Component List
Engine Control Module Description
Control Module References
12-Volt and 5-Volt Reference Bussing
OBD II Symbol Description Notice
BCM Fuses - AC LATCH/PK BRK B, CLUSTER, DOOR LOCKS, HVAC/PWR SND, INTERIOR LIGHTS, ISRVM/HVAC, and TUTD SW/STRG COL SW
Fuse Block Underhood Fuses - ABS, AMP, BATT2, COOL FAN, ECM/TCM/ HORN, HVAC and MRRTD
BCM Fuses - ECM. GMLAN Devices, RPA/H/C SEAT and SDM/PSIR SW, Fuse Block Underhood Fuses - ABS/MRRTD, and ACC/TCM
Fuse Block - Underhood Bussing
Fuse Block - Underhood Bussing
DLC, Ground and Power
BCM Fuses - ECM. GMLAN Devices, RPA/H/C SEAT and SDM/PSIR SW, Fuse Block Underhood Fuses - ABS/MRRTD, and ACC/TCM
DLC, Ground and Power
DLC - Class 2
GMLAN
Fuse Block Underhood Fuses - ABS, AMP, BATT2, COOL FAN, ECM/TCM/ HORN, HVAC and MRRTD
DLC, Ground and Power
G104 and G106