GM Service Manual Online
For 1990-2009 cars only
Makes
🢒
Cadillac
🢒
2005
🢒
XLR
🢒 Low Reference Bussing
Low Reference Bussing
Low Reference Bussing
Master Electrical Component List
Engine Control Module Description
Control Module References
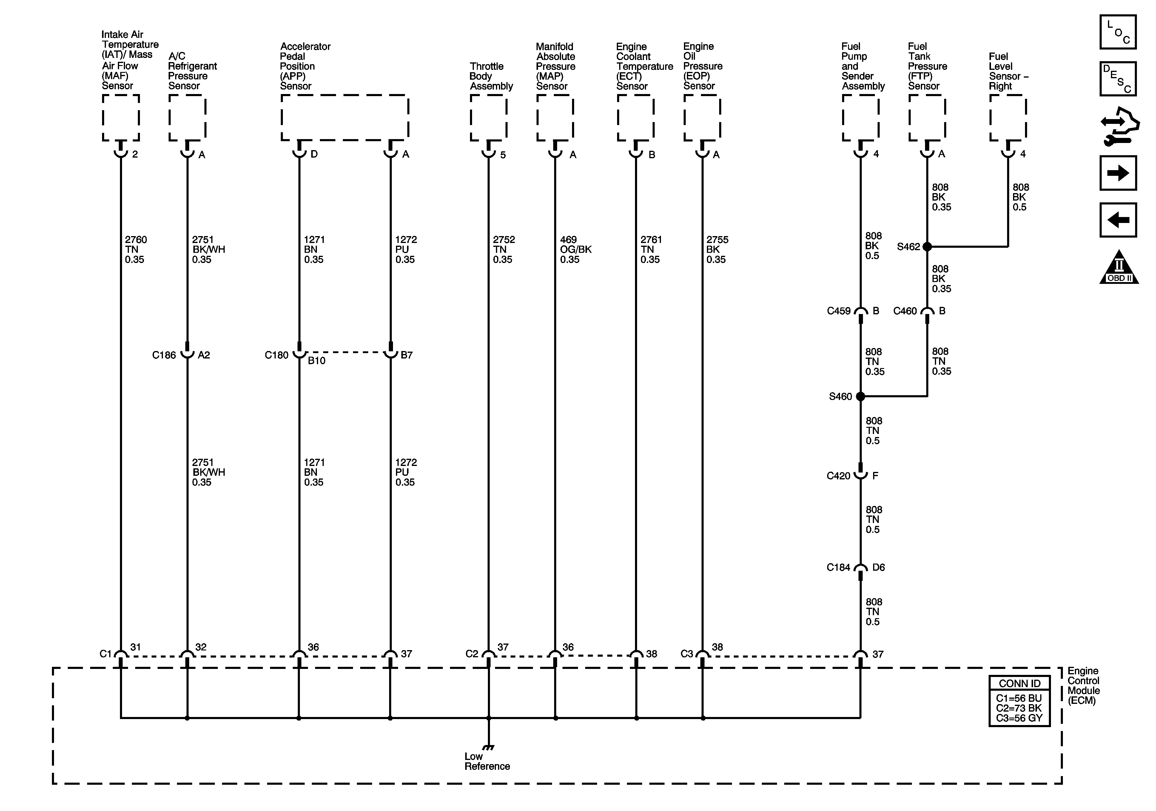
Engine Data Sensors - Pressure, Temperature, MAF, VSS and Brake Travel
12-Volt and 5-Volt Reference Bussing
OBD II Symbol Description Notice