GM Service Manual Online
For 1990-2009 cars only
Makes
🢒
Cadillac
🢒
2005
🢒
XLR
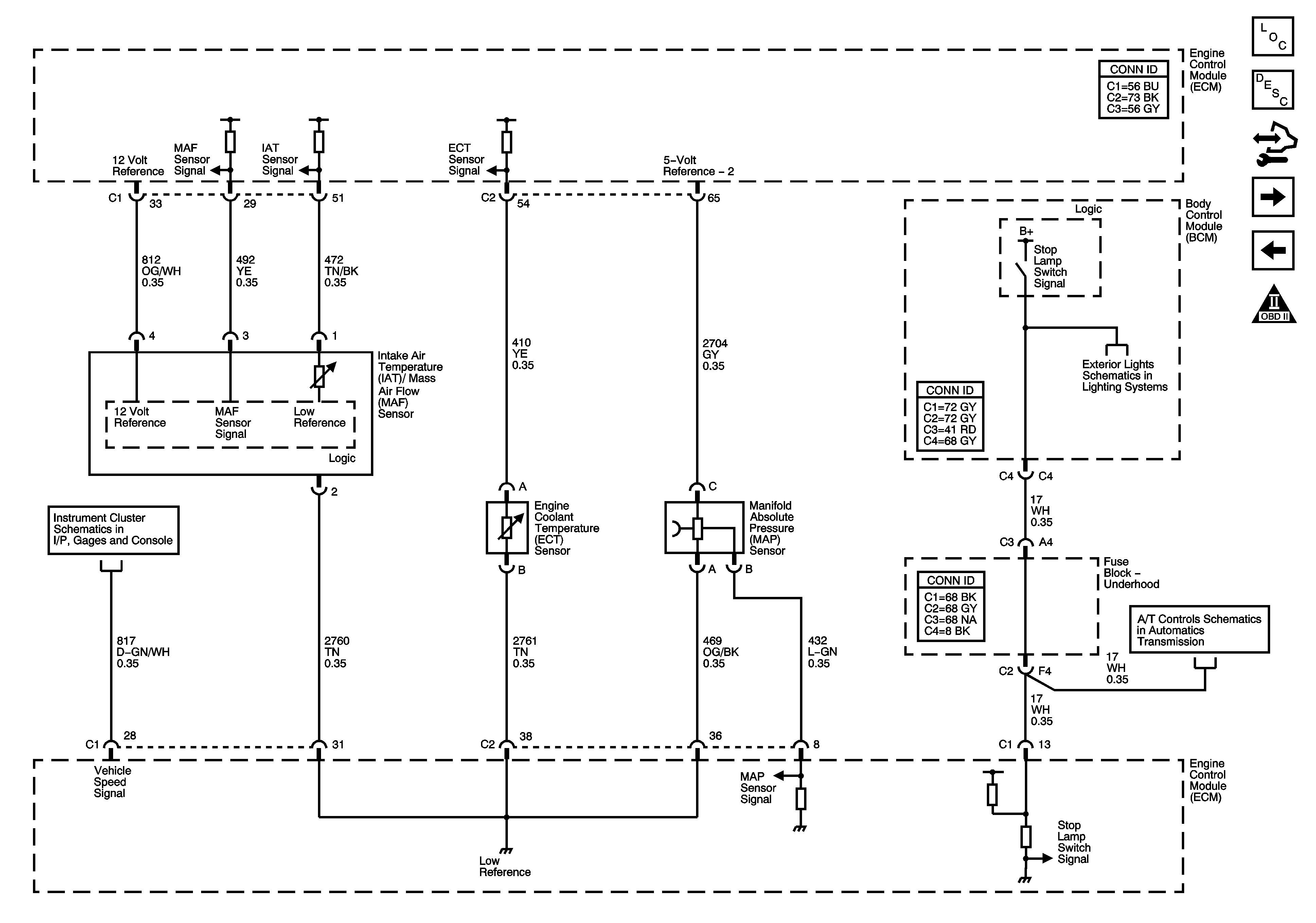
🢒 Engine Data Sensors - Pressure, Temperature, MAF, VSS and Brake Travel
Engine Data Sensors - Pressure, Temperature, MAF, VSS and Brake Travel
Engine Data Sensors - Pressure, Temperature, MAF, VSS, and Brake Travel
Master Electrical Component List
Air Intake System Description
Control Module References
Engine Data Sensors - Oxygen Sensors
Low Reference Bussing
OBD II Symbol Description Notice
Gages
Stop Lamps - Europe and Japan
Shift Lever