GM Service Manual Online
For 1990-2009 cars only
Makes
🢒
Cadillac
🢒
2005
🢒
XLR
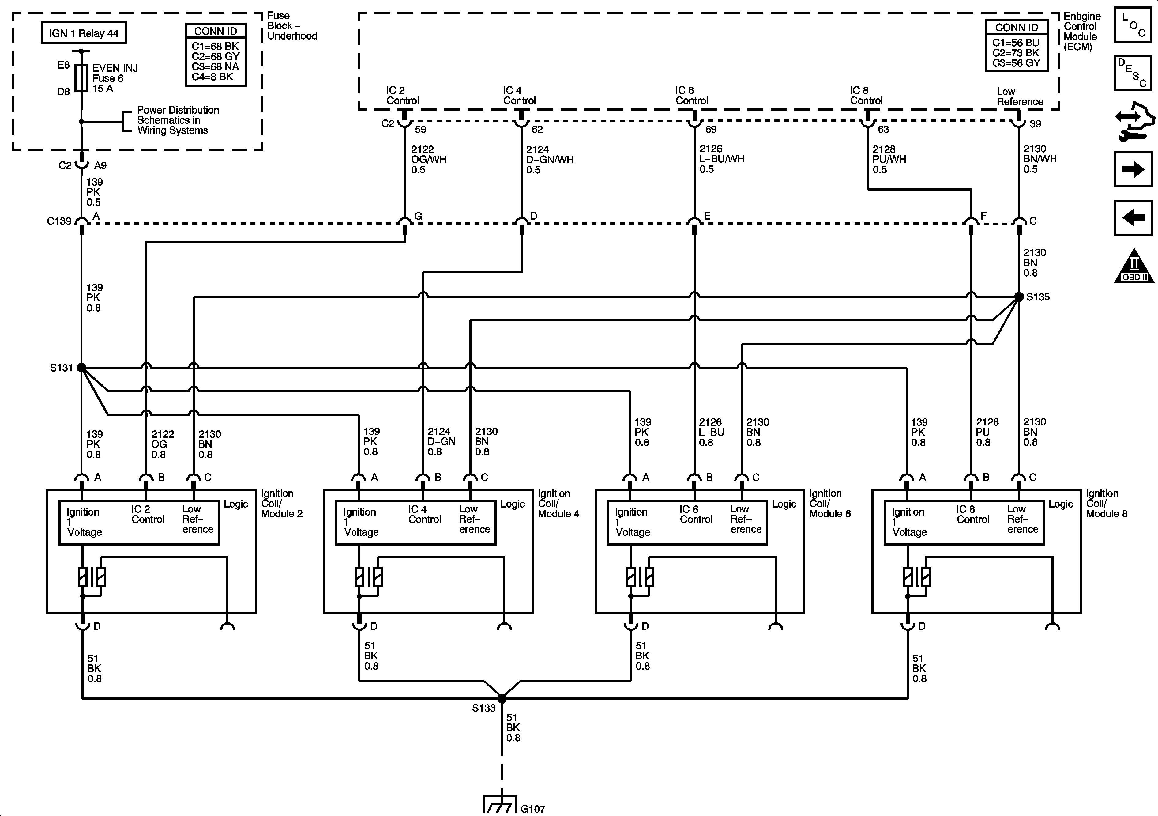
🢒 Ignition System - Bank 2
Ignition System - Bank 2
Ignition System - Bank 2
Master Electrical Component List
Electronic Ignition (EI) System Description
Control Module References
Ignition Controls - CKP and KS Sensors
Ignition System - Bank 1
OBD II Symbol Description Notice
Fuse Block Underhood Fuses - EMISSION, ETC, EVEN INJ, FUEL, O2SEN, and ODD INJ
G105 and G107