GM Service Manual Online
For 1990-2009 cars only
Makes
🢒
Cadillac
🢒
2005
🢒
XLR
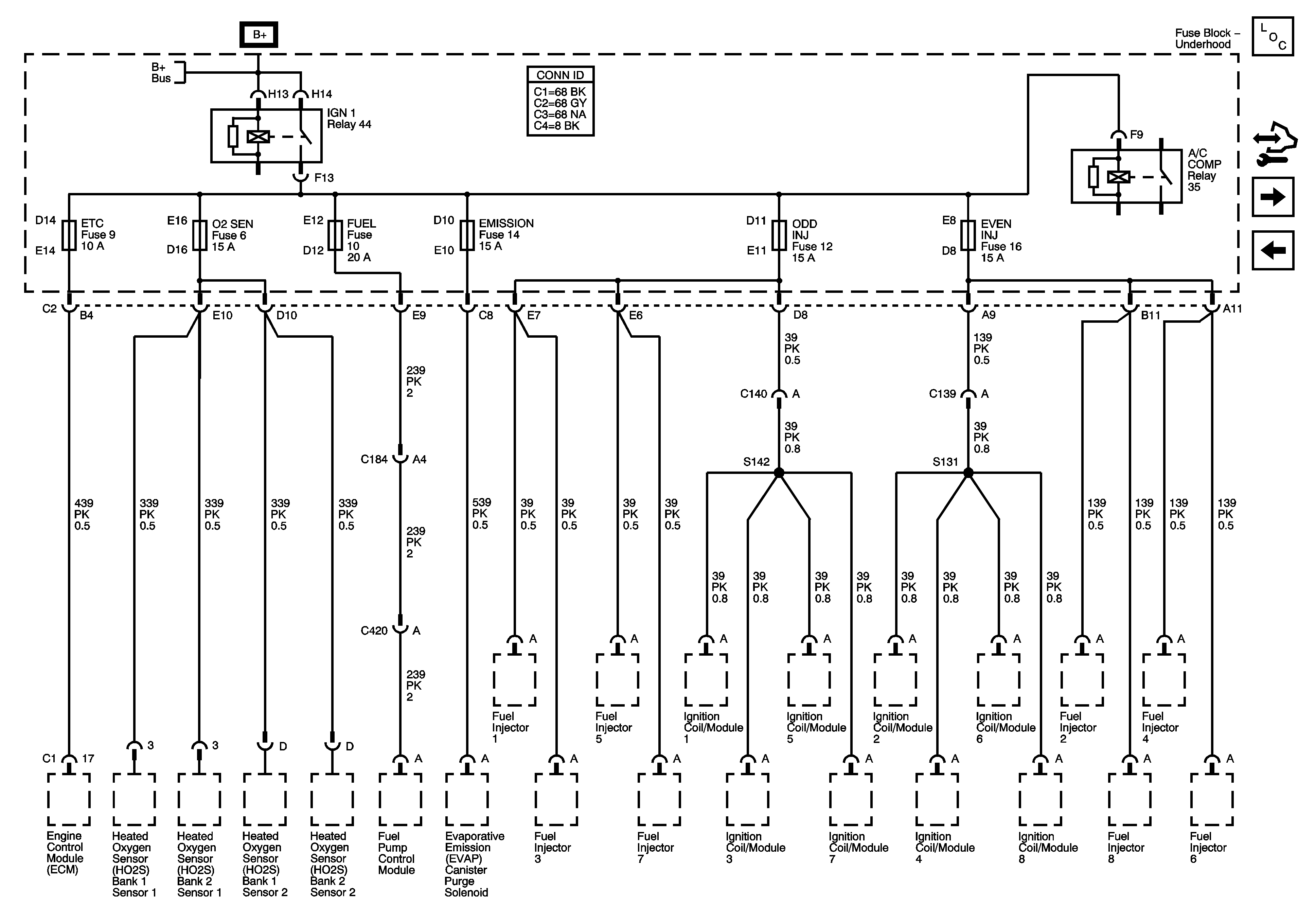
🢒 Fuse Block Underhood Fuses - EMISSION, ETC, EVEN INJ, FUEL, O2SEN, and ODD INJ
Fuse Block Underhood Fuses - EMISSION, ETC, EVEN INJ, FUEL, O2SEN, and ODD INJ
Fuse Block - Underhood Fuses; EMISSION, ETC, EVEN INJ, FUEL, O2 SEN, and ODD INJ
Master Electrical Component List
Control Module References
Fuse Block Underhood Fuses - LT HI BM, LTLO BM, RT HI BM, RT LO BM, Fuse Block I/P Fuses - RUN/ACCESSORY POWER, STEER WHEEL DIMMING and WIPER DWELL
BCM Fuses - ECM. GMLAN Devices, RPA/H/C SEAT and SDM/PSIR SW, Fuse Block Underhood Fuses - ABS/MRRTD, and ACC/TCM
Fuse Block - Underhood Bussing