GM Service Manual Online
For 1990-2009 cars only
Makes
🢒
Cadillac
🢒
2005
🢒
XLR
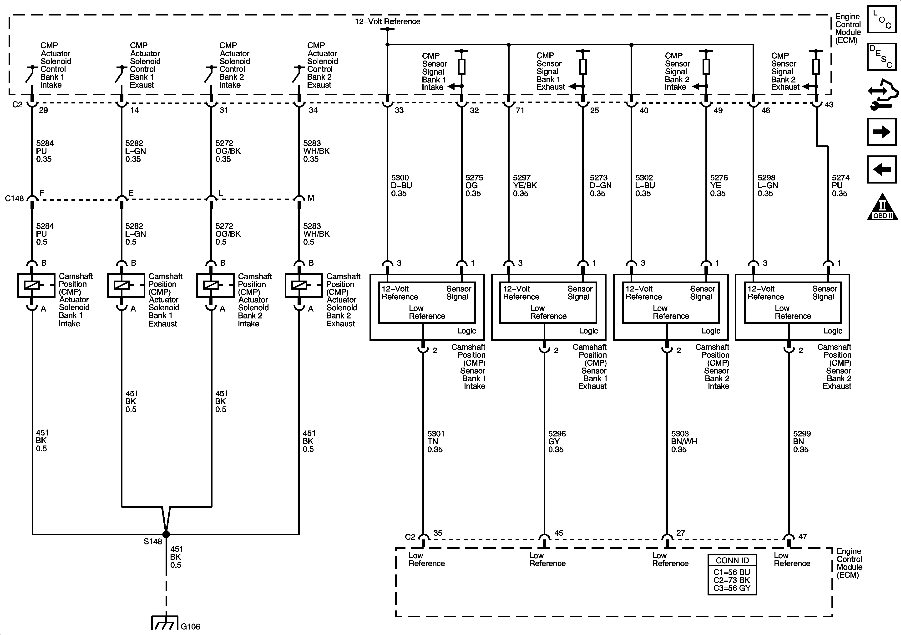
🢒 Ignition Controls - CMP Sensors and Controls
Ignition Controls - CMP Sensors and Controls
Ignition Controls - CMP Sensors and Solenoids
Master Electrical Component List
Electronic Ignition (EI) System Description
Control Module References
Fuel Controls - Fuel Injectors and Fuel Pump Controls
Ignition Controls - CKP and KS Sensors
OBD II Symbol Description Notice
G104 and G106