GM Service Manual Online
For 1990-2009 cars only
Makes
🢒
Cadillac
🢒
2005
🢒
XLR
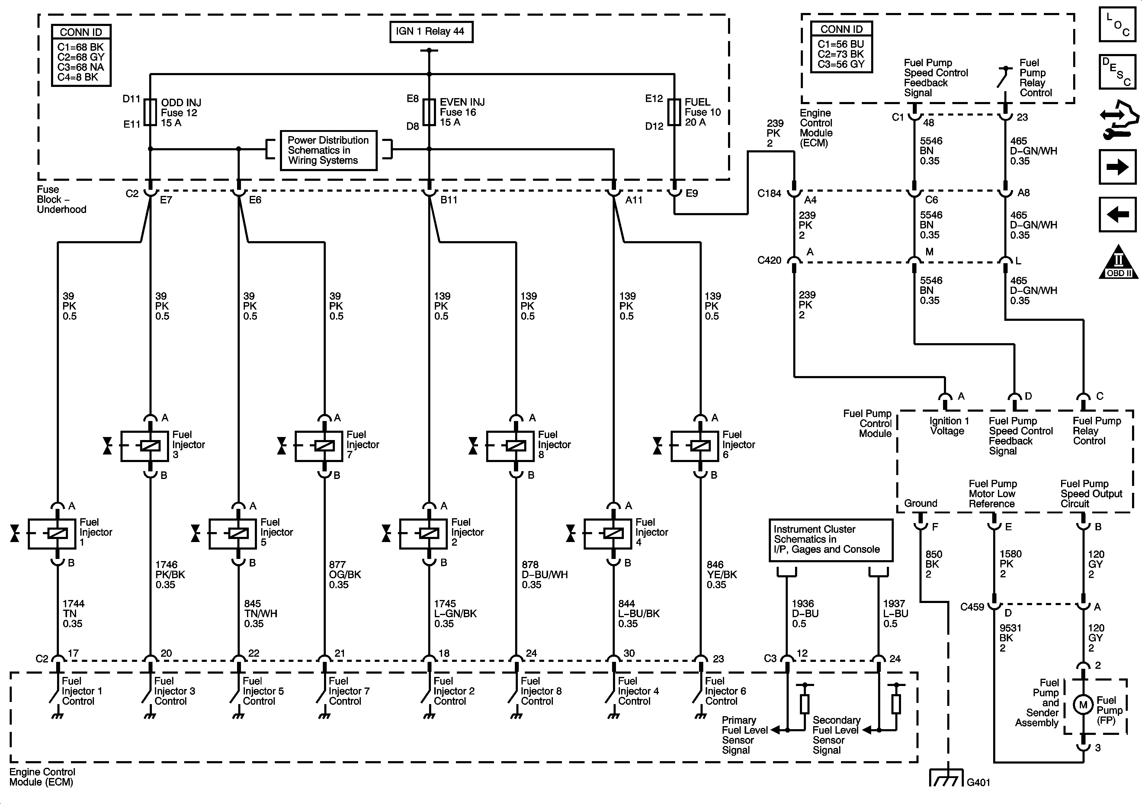
🢒 Fuel Controls - Fuel Injectors and Fuel Pump Controls
Fuel Controls - Fuel Injectors and Fuel Pump Controls
Fuel Controls - Fuel Injectors and Fuel Pump Controls
Master Electrical Component List
Fuel System Description
Control Module References
Fuel Controls - EVAP Controls
Ignition Controls - CMP Sensors and Controls
OBD II Symbol Description Notice
Fuse Block Underhood Fuses - EMISSION, ETC, EVEN INJ, FUEL, O2SEN, and ODD INJ
Gages
G302, G401 and G402