GM Service Manual Online
For 1990-2009 cars only
Makes
🢒
Cadillac
🢒
2005
🢒
XLR
🢒 Messages
Messages
Messages
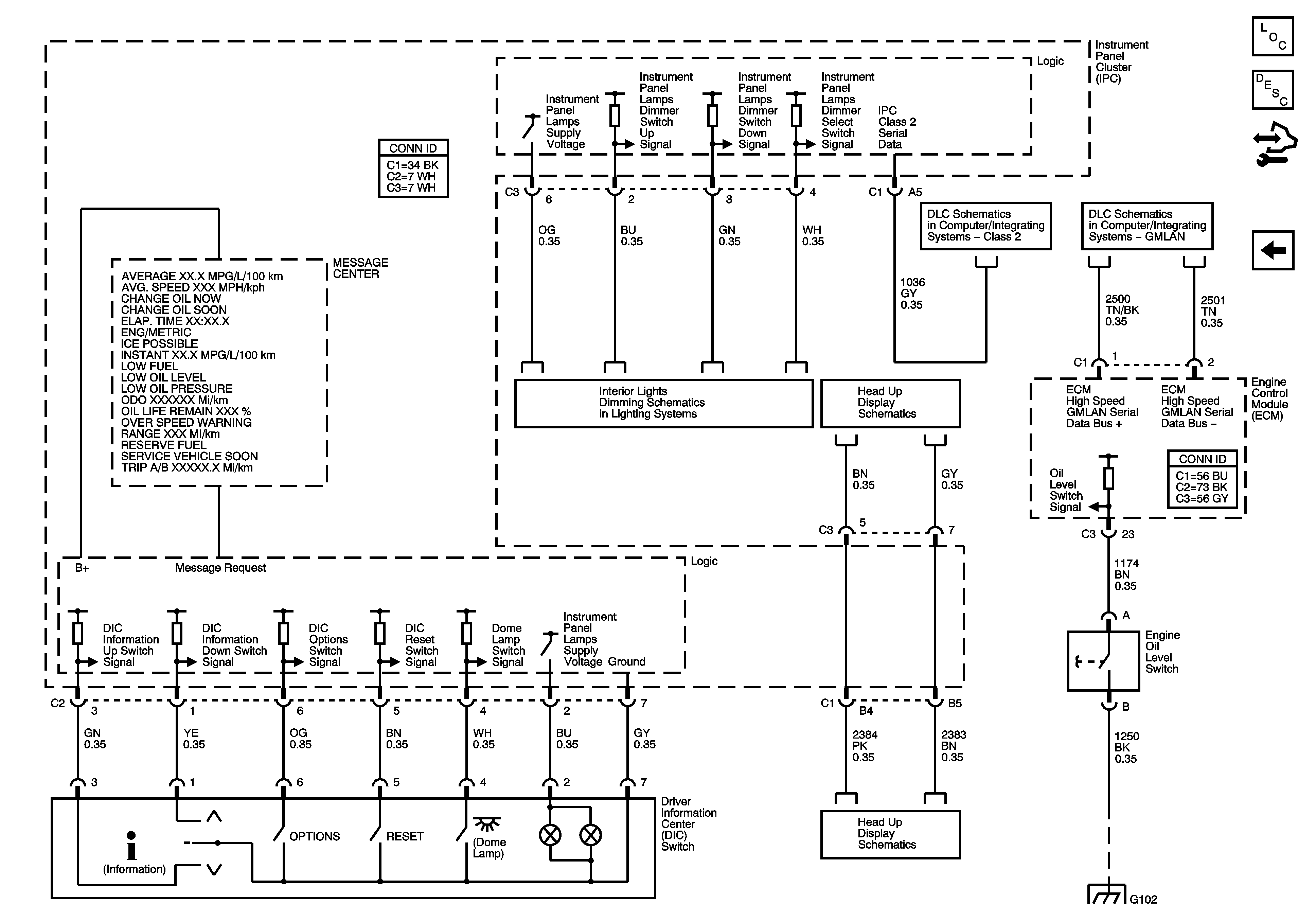
Master Electrical Component List
Indicator/Warning Message Description and Operation
Control Module References
Gages
DLC - Class 2
GMLAN
Dimmer Controls, IPC, Switches and DLC
Head Up Display
Head Up Display
G102