GM Service Manual Online
For 1990-2009 cars only
Makes
🢒
Cadillac
🢒
2005
🢒
XLR
🢒 Headlamps
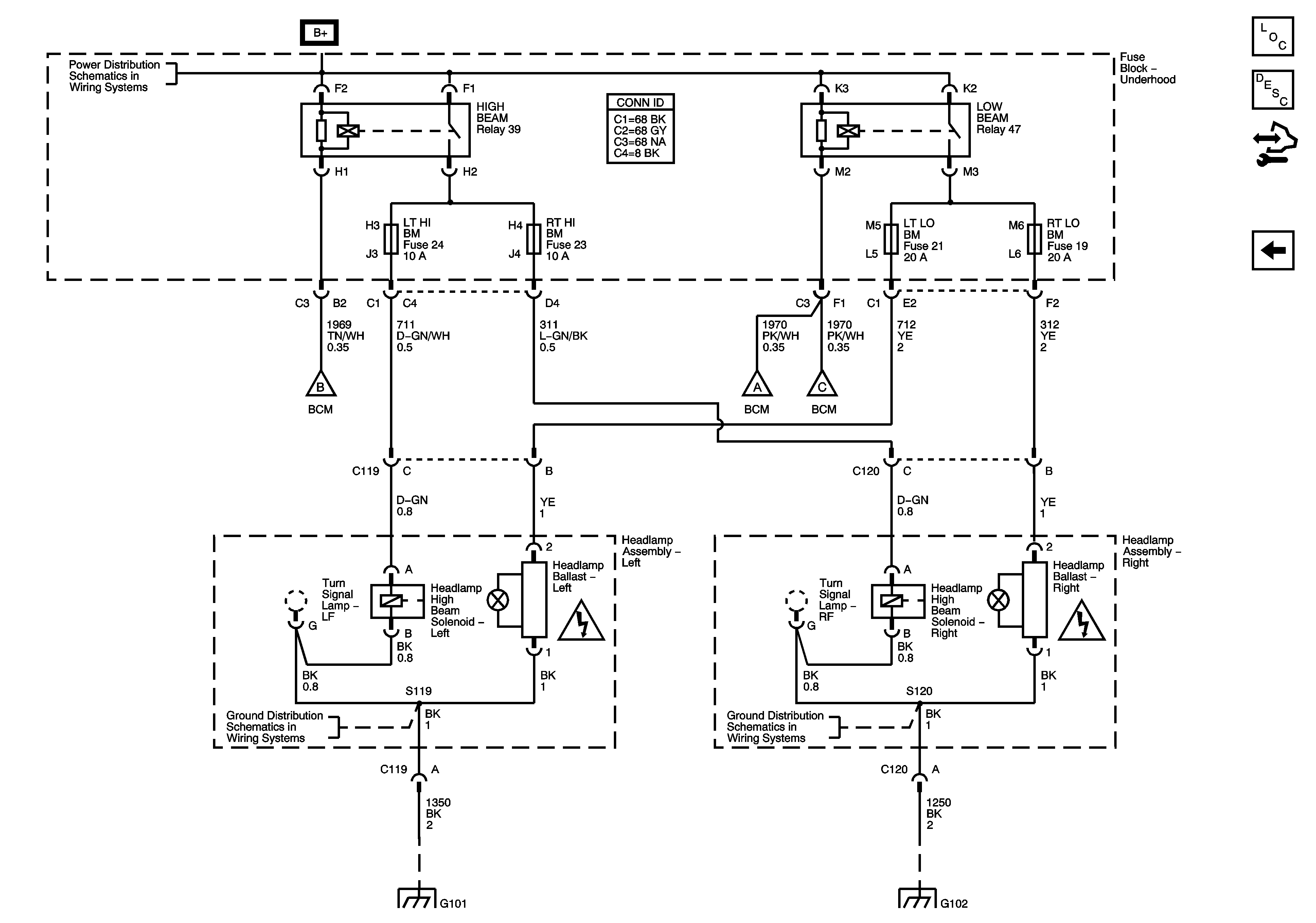
Headlamps
Headlamps
Master Electrical Component List
Exterior Lighting Systems Description and Operation
Control Module References
Headlamp/DRL Controls
Fuse Block - Underhood Bussing
Headlamp/DRL Controls
Headlamp/DRL Controls
Headlamp/DRL Controls
Lighting Systems Schematic Icons
Lighting Systems Schematic Icons
G101
G102
G101
G102