GM Service Manual Online
For 1990-2009 cars only
Makes
🢒
Cadillac
🢒
2005
🢒
XLR
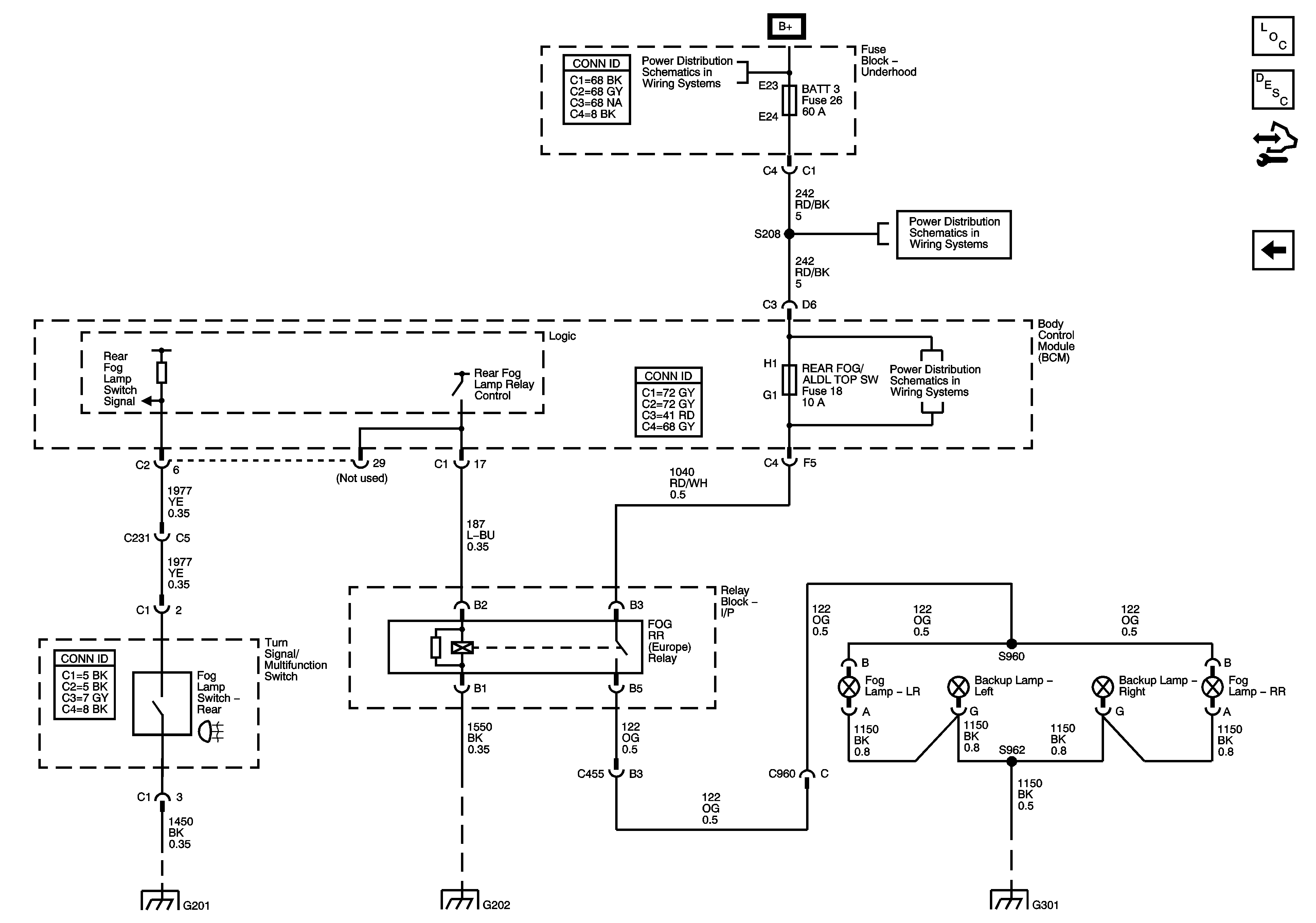
🢒 Rear Fog Lamps - Europe
Rear Fog Lamps - Europe
Rear Fog Lamps - Europe
Master Electrical Component List
Exterior Lighting Systems Description and Operation
Control Module References
Front Fog Lamps
Fuse Block - Underhood Bussing
Fuse Block Underhood Fuses - BATT3, STOP/BULPS, BCM Fuses - BTSI SOL/COL LOCK, PWR FLDG MIR-EXT/RET, RADIO/ANT/VICS, REAR FOG/ALDL TOPSW, REVERSE LPS
Fuse Block Underhood Fuses - BATT3, STOP/BULPS, BCM Fuses - BTSI SOL/COL LOCK, PWR FLDG MIR-EXT/RET, RADIO/ANT/VICS, REAR FOG/ALDL TOPSW, REVERSE LPS
G201
G202 - 1 of 2
G301