GM Service Manual Online
For 1990-2009 cars only
Makes
🢒
Cadillac
🢒
2005
🢒
XLR
🢒 Rear Park Lamps and License Lamps
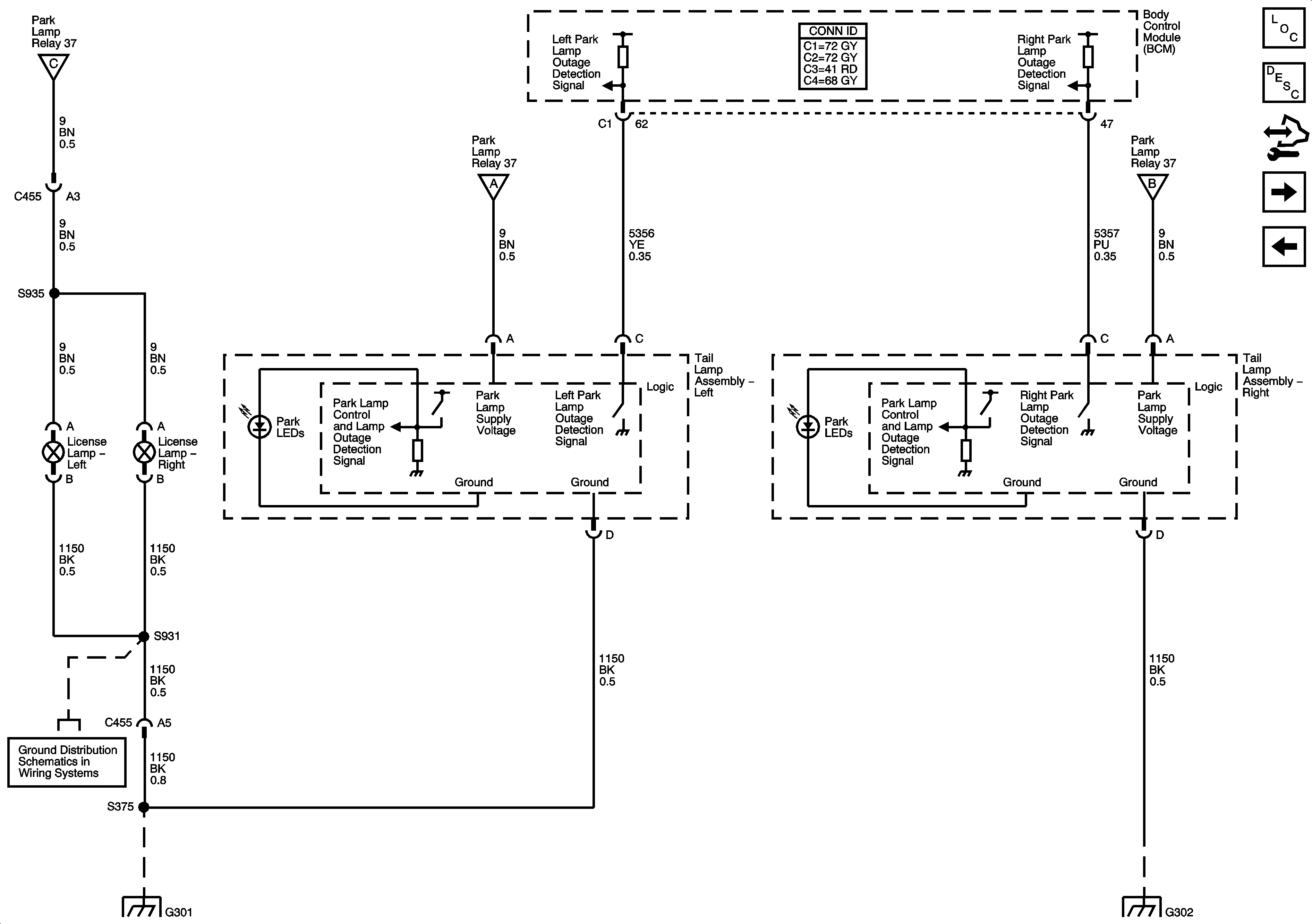
Rear Park Lamps and License Lamps
Rear Park Lamps and License Lamps
Master Electrical Component List
Exterior Lighting Systems Description and Operation
Control Module References
Turn Signal and Hazard Lamps - Europe and Japan
Park Lamp Control, Side Marker, Park and Position Lamps
Park Lamp Control, Side Marker, Park and Position Lamps
Park Lamp Control, Side Marker, Park and Position Lamps
Park Lamp Control, Side Marker, Park and Position Lamps
G301
G302, G401 and G402
G301